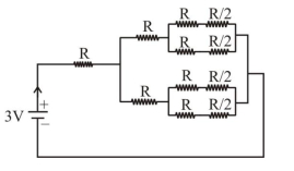
All resistances in figure are $1\,\Omega$ each. The value of current ' $I$ ' is $\frac{a}{5}\,A$. The value of $a$ is
  • A$8$
  • B$2$
  • C$1$
  • D$11$
JEE MAIN 2022, Diffcult
art

Download our app
and get started for free

Experience the future of education. Simply download our apps or reach out to us for more information. Let's shape the future of learning together!No signup needed.*

Similar Questions

  • 1
    A cable of resistance $10\,\Omega $ carries electric power from a generator producing $250\, kW$ at $10000\, volt$. The current in the cable is ............. $A$
    View Solution
  • 2
    In a wire of cross section radius $r,$ free electrons travel with drift velocity $v$ when a current $I$ flows through the wire. What is the current in another wire of half the radius and of the same material when the drift velocity is $2v$  ?
    View Solution
  • 3
    In the circuit shown, $R_1$ is increased. What happens to the reading of the voltmeter (ideal)?
    View Solution
  • 4
    When a piece of aluminium wire of finite length is drawn through a series of dies to reduce its diameter to half its original value, its resistance will become ........ times
    View Solution
  • 5
    Find the current in the loop.
    View Solution
  • 6
    For the shown circuit, find the effective resistance between the points $A$ and $B$.
    View Solution
  • 7
    Three voltmeters, all having different internal resistances are joined as shown in figure. When some potential difference is applied across $\mathrm{A}$ and $B$, their readings are $V_1, V_2$ and $V_3$. Choose the correct option.
    View Solution
  • 8
    Select the correct statement
    View Solution
  • 9
    If in the circuit shown below, the internal resistance of the battery is $1.5$ $\Omega$ and $V_P$ and $V_Q$ are the potentials at $P$ and $Q$ respectively, what is the potential difference between the points $P$ and $Q$
    View Solution
  • 10
    $10$ resistors, each of resistance $R$ are connected in series to a battery of $emf$ $E$ and negligible internal resistance. Then those are connected in parallel to the same battery, the current is increased $n$ times. The value of $n$ is :
    View Solution