







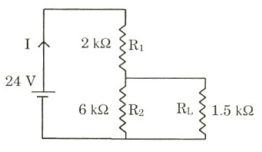
$(A)$ the current $I$ through the battery is $7.5 \mathrm{~mA}$
$(B)$ the potential difference across $R_{\mathrm{L}}$, is $18 \mathrm{~V}$
$(C)$ ratio of powers dissipated in $R_1$ and $R_2$ is $3$
$(D)$ if $R_1$ and $R_2$ are interchanged, magnitude of the power dissipated in $R_{\mathrm{L}}$ will decrease by a factor of $9$