a
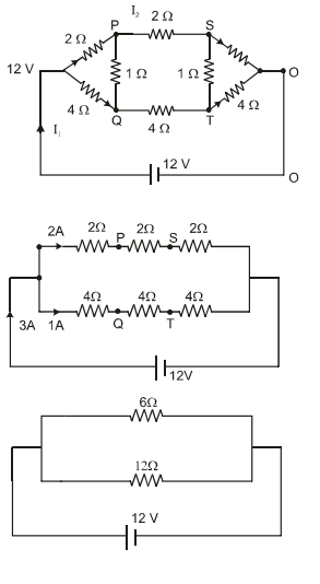
Due to input and output symmetry $P$ and $Q$ and $S$ and $T$ have same potential. $Image$
$R_{e q}=\frac{6 \times 12}{18}=4 \Omega $
$I_1=\frac{12}{4}=3 A $
$I_2=\left(\frac{12}{6+12}\right) \times 3 $
$I _2=2 A $
$V _4- V _3=2 \times 4=8 V $
$V_A-V_T^3=1 \times 8=8 V $
$V_P=V_Q^{\top} \Rightarrow \text { Current through } P Q=0 $
$V_P=V_Q \Rightarrow V_Q>V_a $
$I_1=3 A $
$I _2=2 A $
