c
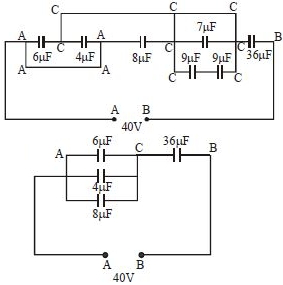
equivalent circuit between$\mathrm{A}$ and $\mathrm{B}$
potential at $8\, \mu \mathrm{F}=\mathrm{V}_{\mathrm{AC}}$
$\mathrm{V} \propto \frac{1}{\mathrm{C}}$
$\mathrm{V}_{\mathrm{AC}}=\frac{36}{36+18} \times 40$
$\mathrm{V}_{\mathrm{AC}}=\frac{36}{54} \times 40$
$\mathrm{V}_{\mathrm{AC}} \approx 27 \mathrm{\,V}$
charge at $8 \mu \mathrm{F}$ capacitor $=27 \times 8\, \mu \mathrm{F}$
$=214\, \mu C$
