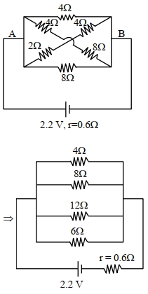
In the given figure, the $emf$ of the cell is $2.2\, {V}$ and if internal resistance is $0.6\, \Omega$. Calculate the power dissipated in the whole circuit: (in $W$)
  • A$1.32$
  • B$0.65$
  • C$2.2$
  • D$4.4$
JEE MAIN 2021, Diffcult
art

Download our app
and get started for free

Experience the future of education. Simply download our apps or reach out to us for more information. Let's shape the future of learning together!No signup needed.*

Similar Questions

  • 1
    The total current supplied to the circuit by the battery is ............. $A$
    View Solution
  • 2
    A current of $6\, A$ enters one corner $P$ of an equilateral triangle $PQR$ having $3$ wires of resistance $2 \,\Omega$ each and leaves by the corner $R$. The currents $i_{1}$ in ampere is ........ .
    View Solution
  • 3
    Two batteries $V_1$ and $V_2$ are connected to three resistors as shown below. If $V_1=2 \,V$ and $V_2=0 \,V$, then the current $I=3 \,mA$. If $V_1=0 \,V$ and $V_2=4 \,V$, then the current $I=4 \,mA$. Now, if $V_1=10 \,V$ and $V_2=10 \,V$, then the current $I$ will be ............ $\,mA$
    View Solution
  • 4
    We are able to obtain fairly large currents in a conductor because
    View Solution
  • 5
    In the circuit shown below, the cell has an $e.m.f.$ of $10\,V$ and internal resistance of $1\, ohm$. The other resistances are shown in the figure. The potential difference ${V_A} - {V_B}$ is ................ $V$
    View Solution
  • 6
    In Wheatstone's bridge $P = 9\, ohm$, $Q = 11\, ohm$, $R = 4\,ohm$ and $S = 6\,ohm$. How much resistance must be put in parallel to the resistance $S$ to balance the bridge ............... $ohm$
    View Solution
  • 7
    A uniform metallic wire has a resistance of $18\,\Omega $ and is bent into an equilateral triangle. Then, the resistance between any two vertices of the triangle is .................. $\Omega$
    View Solution
  • 8
    What is net force on the small dipole placed inside the capacitor at steady state if the plates are separated by $1\ cm$ ?......$N$
    View Solution
  • 9
    Three resistors of $4\,\Omega ,6\,\Omega $ and $12\,\Omega $ are connected in parallel and the combination is connected in series with a $1.5\, V$ battery of $1\,\Omega $ internal resistance. The rate of Joule heating in the $4\,\Omega $ resistor is ................ $W$
    View Solution
  • 10
    A wire of resistor $R$ is bent into a circular ring of radius $r$. Equivalent resistance between two points $X$ and $Y$ on its circumference, when angle $XOY$ is $\alpha$, can be given by
    View Solution