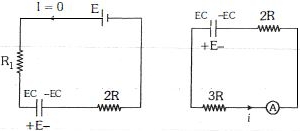
The capacitor $'C'$ is initially uncharged.  Switch $S_1$ is closed for a long time while $S_2$ remains open. Now at $t = 0$ , $S_2$ is closed while $S_ 1$ is opened. All the batteries are ideal and connecting wires are resistanceless. Find $INCORRECT$ statement
  • AAt time $t = 0$ (just after $S_2$ is closed), reading of ammeter is $\frac {E}{5R}$
  • BAt time $t = 0$ (just after $S_2$ is closed), reading of ammeter is zero
  • CHeat developed till time $t = 5\ RC\ ln\ 2$ in resistance $3R$ is $\frac {9}{40}CE^2$
  • DAfter time $t > 0$ charge on the capacitor follows the equation $CE\ e^{-t/5RC}$
Diffcult
art

Download our app
and get started for free

Experience the future of education. Simply download our apps or reach out to us for more information. Let's shape the future of learning together!No signup needed.*

Similar Questions

  • 1
    A parallel plate capacitor having plates of area $S$ and plate separation $d$, has capacitance $C _1$ in air. When two dielectrics of different relative permittivities $\left(\varepsilon_1=2\right.$ and $\left.\varepsilon_2=4\right)$ are introduced between the two plates as shown in the figure, the capacitance becomes $C _2$. The ratio $\frac{ C _2}{ C _1}$ is
    View Solution
  • 2
    Two capacitors $C_1$ and $C_2 = 2C_1$ are connected in a circuit with a switch between them as shown in the figure. Initially the switch is open and $C_1$ holds charge $Q$. The switch is closed. At steady state, the charge on each capacitor will be
    View Solution
  • 3
    Two positrons $(e^+)$ and two protons $(p)$ are kept on four corners of a square of side $a$ as shown in figure. The mass of proton is much larger than the mass of positron. Let $q$ denotes the charge on the proton as well as the positron then the kinetic energies of one of the positrons and one of the protons respectively after a very long time will be-
    View Solution
  • 4
    Force of attraction between the plates of a parallel plate capacitor is
    View Solution
  • 5
    The radius of a soap bubble whose potential is $16\,V$ is doubled. The new potential of the bubble will be.....$V$
    View Solution
  • 6
    A parallel plate condenser is connected with the terminals of a battery. The distance between the plates is $6\,mm$. If a glass plate (dielectric constant $K = 9$) of $4.5\,mm$ is introduced between them, then the capacity will become.......$times$
    View Solution
  • 7
    A capacitor having capacitance $C$ is charged to a voltage $V$. It is then removed and connected in parallel with another identical capacitor which is uncharged. The new charge on each capacitor is now
    View Solution
  • 8
    Two capacitors each of $1\,\mu F$ capacitance are connected in parallel and are then charged by $200\;volts$ $d.c.$ supply. The total energy of their charges (in $joules$) is
    View Solution
  • 9
    In the following circuit $C_1=12 \mu F, C_2=C_3=4 \mu F$ and $C_4=C_5=2 \mu F$. The Charge stored in $C_3$ is. . . . . $\mu C$.
    View Solution
  • 10
    Two point dipoles of dipole moment ${\vec P_1}$ and ${\vec P_2}$ are at a distance $x$ from each other and  ${\vec P_1}$ || ${\vec P_2}$. The force between the dipoles is
    View Solution