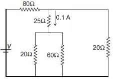
The current in the given circuit is ................ $A$
  • A$0.1$
  • B$0.2$
  • C$0.3$
  • D$0.4$
AIIMS 2000, Easy
art

Download our app
and get started for free

Experience the future of education. Simply download our apps or reach out to us for more information. Let's shape the future of learning together!No signup needed.*

Similar Questions

  • 1
    In the following circuit, the magnitude of current $I _{ l }$, is $............A$.
    View Solution
  • 2
    An electric bulb is designed to draw power $P_0$ at voltage $V_0$. If the voltage is $V$ it draws a power $P$. Then
    View Solution
  • 3
    A milliammeter of range $10\, mA$ and resistance $9\, \Omega$ is joined in a circuit as shown. The meter gives full-scale deflection for current $I$ when $A$ and $B$ are used as its terminals, i.e., current enters at $A$ and leaves at $B$ ($C$ is left isolated). The value of $I$ is
    View Solution
  • 4
    Consider the circuit shown in fig. The current through the $10\,\Omega $ resistor when switch $'s'$ is $(a)$ open $(b)$ closed.
    View Solution
  • 5
    Two sources of equal $emf$ are connected to an external resistance $R$. The internal resistances of the two sources are ${R_1}$ and ${R_2}\,({R_2} > {R_1})$. If the potential difference across the source having internal resistance ${R_2}$ is zero, then
    View Solution
  • 6
    A current of $0.1 \,A$ flows through a $25 \,\Omega$ resistor represented by the circuit diagram. The current in $80 \,\Omega$ resistor is ........... $A$
    View Solution
  • 7
    Which of the four resistances $P, Q, R$ and $S$ generate the greatest amount of heat when a current flows from $A$ to $B$ ?
    View Solution
  • 8
    A potentiometer has uniform potential gradient across it. Two cells connected in series $(i)$ to support each other and $(ii)$ to oppose each other are balanced over $6\,m$ and $2\,m$ respectively on the potentiometer wire. The $e.m.f.$’s of the cells are in the ratio of
    View Solution
  • 9
    In the given circuit
    View Solution
  • 10
    In the figure, the value of resistors to be connected between $C$ and $D$ so that the resistance of the entire circuit between $A$ and $B$ does not change with the number of elementary sets used is
    View Solution