$(1)$  The product of a volt and a coulomb is a joule.

$(2)$  The product of a volt and an ampere is a joule/second.

$(3)$  The product of volt and watt is horse power.

$(4)$  Watt-hour can be measured in terms of electron volt.

State if

  • A
    All four are correct
  • B$(1)$,  $(2)$ and $(4)$ are correct
  • C$(1)$ and $(3)$ are correct
  • D$(3)$ and $(4)$ are correct
Easy
art

Download our app
and get started for free

Experience the future of education. Simply download our apps or reach out to us for more information. Let's shape the future of learning together!No signup needed.*

Similar Questions

  • 1
    A bulb has specification of one kilowatt and $250\, volts$, the resistance of bulb is .................. $\Omega$
    View Solution
  • 2
    A wire of resistor $R$ is bent into a circular ring of radius $r$. Equivalent resistance between two points $X$ and $Y$ on its circumference, when angle $XOY$ is $\alpha$, can be given by
    View Solution
  • 3
    An electrical bulb rated $220\,V , 100\,W$, is connected in series with another bulb rated $220\,V$, $60\,W$.If the voltage across combination is $220\,V$, the power consumed by the $100\,W$ bulb will be about $........... W$
    View Solution
  • 4
    In the given figure of meter bridge experiment, the balancing length $AC$ corresponding to null deflection of the galvanometer is $40\,cm$. The balancing length, if the radius of the wire $AB$ is doubled, will be $....cm$
    View Solution
  • 5
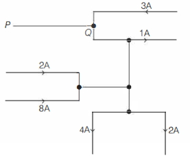
    Figure below shows a portion of an electric circuit with the currents in amperes and their directions. The magnitude and direction of the current in the portion $P Q$ is
    View Solution
  • 6
    The current flowing through a conductor connected across a source is $2\,A$ and $1.2\,A$ at $0^{\circ}\,C$ and $100^{\circ}\,C$ respectively. The current flowing through the conductor at $50^{\circ}\,C$ will be $......\times 10^2\,mA$.
    View Solution
  • 7
    Which of the following has a negative temperature coefficient
    View Solution
  • 8
    Find the equivalent resistance between the points $a$ and $b$ .......... $\Omega$
    View Solution
  • 9
    Three identical cells are connected in parallel across $A B$. Net emf across $A B$ is .......... $V$
    View Solution
  • 10
    The resistance of a wire is $R\; ohm$. If it is melted and stretched to $'n'$ times its original length, its new resistance will be
    View Solution