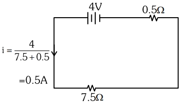
A cell of $emf\;4\,V$ and internal resistance $0.5\,\Omega$ is connected to a $7.5\,\Omega$ external resistance. The terminal potential difference of the cell is $.....\,V$.
  • A$3.75$
  • B$4.25$
  • C$4$
  • D$0.375$
NEET 2022, Easy
art

Download our app
and get started for free

Experience the future of education. Simply download our apps or reach out to us for more information. Let's shape the future of learning together!No signup needed.*

Similar Questions

  • 1
    The figure shows a network of four resistances and three batteries The electrical power dissipated as heat is .............. $W$
    View Solution
  • 2
    Two identical bulbs are connected in parallel across an ideal source of emf $E$. The ammeter $A$ and voltmeter $V$ are ideal. If bulb $B_2$ gets fused, then
    View Solution
  • 3
    The equivalent resistance between $A$ and $B$ for the mesh shown in the figure is ......... $\Omega$
    View Solution
  • 4
    Current through wire $XY$ of circuit shown is ................ $A$
    View Solution
  • 5
    In the circuit shown in the figure $K_1$ is open. The charge on capacitor $C$ in steady state is $q_1$. Now key is closed and at steady state charge on $C$ is $q_2$. The ratio of charges $q_1/q_2$ is
    View Solution
  • 6
    The ratio of the equivalent resistance of the network (shown in figure) between the points $a$ and ${b}$ when switch is open and switch is closed is ${x}: 8 .$ The value of ${x}$ is ..... .
    View Solution
  • 7
    If the length of potentiometer wire is increased, then the length of the previously obtained balance point will
    View Solution
  • 8
    For comparing the $e.m.f.$'s of two cells with a potentiometer, a standard cell is used to develop a potential gradient along the wires. Which of the following possibilities would make the experiment unsuccessful
    View Solution
  • 9
    Current density in a cylindrical wire of radius $R$ is given as $J =$ $\left\{ {\begin{array}{*{20}{c}}
      {{J_0}\left( {\frac{x}{R} - 1} \right)\,\,for\,\,0 \leqslant x < \frac{R}{2}} \\ 
      {{J_0}\frac{x}{R}\,\,\,\,for\,\,\,\frac{R}{2} \leqslant x \leqslant R} 
    \end{array}} \right.$The current flowing in the wire is:
    View Solution
  • 10
    A wire when connected to $220\,V$ mains supply has power dissipation ${P_1}$. Now the wire is cut into two equal pieces which are connected in parallel to the same supply. Power dissipation in this case is ${P_2}$. Then ${P_2}:{P_1}$ is
    View Solution