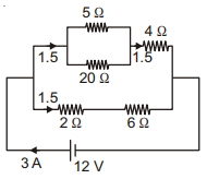
A circuit containing five resistors is connected to a battery with a $12 \,V$ emf as shown in figure. The potential difference across $4 \,\Omega$ resistor is ........... $V$
  • A$3$
  • B$6$
  • C$9$
  • D$12$
Medium
art

Download our app
and get started for free

Experience the future of education. Simply download our apps or reach out to us for more information. Let's shape the future of learning together!No signup needed.*

Similar Questions

  • 1
    The ratio of powers dissipatted respectively in $R$ and $3R$, as shown is:
    View Solution
  • 2
    The total power dissipated in watt in the circuit shown here is ............. $W$
    View Solution
  • 3
    A carbon resistance has a following colour code. What is the value of the resistance?
    View Solution
  • 4
    A $3\, volt$ battery with negligible internal resistance is connected in a circuit as shown in the figure. The current $I$, in the circuit will be ............. $A$
    View Solution
  • 5
    In figure shows a rectangular block with dimensions $x,\, 2x$ and $4x$. Electrical contacts can be made to the block between opposite pairs of faces (for example, between the faces labelled $A-A, B-B$ and $C-C$). Between which two faces would the maximum electrical resistance be obtained ($A-A$ : Top and bottom faces, $B-B$ : Left and right faces, $C-C$ : Front and rear faces)
    View Solution
  • 6
    Two wires that are made up of two different materials whose specific resistance are in the ratio $2 : 3$, length $3 : 4$ and area $4 : 5$. The ratio of their resistances is
    View Solution
  • 7
    The electric current through a wire varies with time as $I=I_0+\beta t$. where $I_0=20 \mathrm{~A}$ and $\beta=3 \mathrm{~A} / \mathrm{s}$. The amount of electric charge crossed through a section of the wire in $20 \mathrm{~s}$ is :
    View Solution
  • 8
     A potentiometer circuit has been set up for finding the internal resistance of a given cell. The main battery, used across the potentiometer wire, has an emf of $2.0\,V$ and a negligible internal resistance. The potentiometer wire itself is $4\,m$ long. When the resistance $R,$ connected across the given cell, has values of  $(i)$ infinity $(ii)$ $9.5\,\Omega$ the balancing lengths on the potentiometer wire are found to be $3\,m$ and $2.85\,m,$ respectively. The value of internal resistance of the cell is ............... $\Omega$
    View Solution
  • 9
    Twelve resistors each of resistance $16 \,\Omega $ are connected in the circuit as shown. The net resistance between $AB$ (any two conjugate points of outer square) is ............... $\Omega$
    View Solution
  • 10
    The figure shows a network of five resistances and two batteries The total electrical power consumed by the circuit is ............... $W$
    View Solution