a
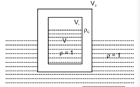
Let outer volume of shell is $V_0$
Let inner volume of shell is $V_1$
Let volume of water inside the shall is $v$.
$\Rightarrow 1 Vg +\rho_{ c }\left( V _0- V _1\right) g =\frac{1 V _0}{2} g $
$V +\rho_{ c }\left( V _0- V _1\right)=\frac{ V _0}{2}$
[Equlibrium]
$\rho_c\left(V_0-V_1\right)=\frac{V_0}{2}-V $
$\rho_c=\frac{\frac{V_0}{2}-V}{V_0-V_i} $
if $\rho_c<\frac{1}{2} \quad \Rightarrow \quad \frac{\frac{V_0}{2}-V}{V_0-V_i}<\frac{1}{2} $
$\frac{V_0}{2}-V<\frac{V_0}{2}-\frac{V_i}{2} $
$-V<-\frac{V_i}{2} $
$V >\frac{ V _{ i }}{2} \quad \text { so (A) } $
