
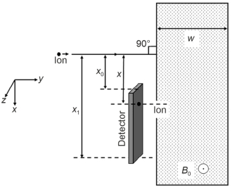
[Given: Mass of neutron/proton $=(5 / 3) \times 10^{-27} kg$, charge of the electron $=1.6 \times 10^{-19} C$.]
Which of the following option($s$) is(are) correct?
$(A)$ The value of $x$ for $H^{+}$ion is $4 cm$.
$(B)$ The value of $x$ for an ion with $A_M=144$ is $48 cm$.
$(C)$ For detecting ions with $1 \leq A_M \leq 196$, the minimum height $\left(x_1-x_0\right)$ of the detector is $55 cm$.
$(D)$ The minimum width $w$ of the region of the magnetic field for detecting ions with $A_M=196$ is $56 cm$.
