c
(c)
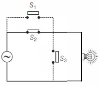
In given circuit, when $S_1$ and $S_3$ both are closed, then source is short circuited. Closing either $S_1$ or $S_3$ does not completes any of path. Hence, they produce no change in circuit.
On closing $S_2$ alone the circuit containing bulb is complete. Hence, bulb will light up when $S_2$ is closed alongwith $S_3$ but $S_1$ is open. Option $(c)$ is correct.
