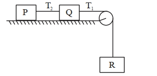
Each of three blocks $P$, $Q$ and $R$ shown in figure has a mass of $3 \mathrm{~kg}$. Each of the wire $A$ and $B$ has cross-sectional area $0.005 \mathrm{~cm}^2$ and Young's modulus $2 \times 10^{11} \mathrm{~N} \mathrm{~m}^{-2}$. Neglecting friction, the longitudinal strain on wire $B$ is____________ $\times 10^{-4}$. $\left(\right.$ Take $\mathrm{g}=10 \mathrm{~m} / \mathrm{s}^2$ )
  • A$7$
  • B$5$
  • C$4$
  • D$2$
JEE MAIN 2024, Diffcult
art

Download our app
and get started for free

Experience the future of education. Simply download our apps or reach out to us for more information. Let's shape the future of learning together!No signup needed.*

Similar Questions

  • 1
    On stretching a wire, the elastic energy stored per unit volume is
    View Solution
  • 2
    The increase in length is $l$ of a wire of length $L$ by the longitudinal stress. Then the stress is proportional to
    View Solution
  • 3
    The load versus elongation graph for four wires of the same material is shown in the figure. The thickest wire is represented by the line
    View Solution
  • 4
    Due to addition of impurities, the modulus of elasticity
    View Solution
  • 5
    Two wire $A$ and $B$ are stretched by same force. If, for $A$ and $B, Y_A: Y_B=1: 2, r_A: r_B=3: 1$ and $L_A: L_B=4: 1$, then ratio of their extension $\left(\frac{\Delta L_A}{\Delta L_B}\right)$ will be .............
    View Solution
  • 6
    In steel, the Young's modulus and the strain at the breaking point are $2 \times {10^{11}}\,N{m^{ - 2}}$ and $0.15$ respectively. The stress at the breaking point for steel is therefore
    View Solution
  • 7
    Join details of Column$-II$ with given information in Column$-I$ appropriately

    Column $-I$  Column $-II$ 

    $(a)$ Stress is proportional to strain.

    $(i)$ Elastic limit
    $(b)$ When the load of the wire is removed, the body does regain its original dimension. $(ii)$ Limit of pro-portionality
      $(iii)$ Plastic deformation
    View Solution
  • 8
    Given : $\sigma$ is the compressibility of water, $\rho$ is the density of water and $K$ is the  bulk modulus of water. What is the energy density of water at the bottom of a lake $‘h’$  metre deep ?
    View Solution
  • 9
    If the potential energy of a spring is $V$ on stretching it by $2\, cm$, then its potential energy when it is stretched by $10 \,cm$ will be
    View Solution
  • 10
    The breaking stress of a wire depends upon
    View Solution