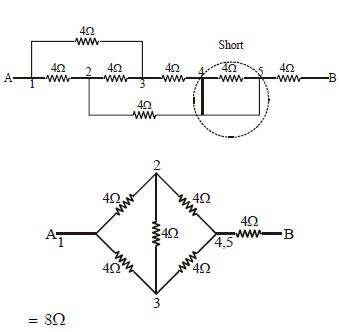
Equivalent resistance between $A$ and $B$ is ............ $\Omega$
  • A$4$
  • B$8$
  • C$2$
  • D$1$
Medium
art

Download our app
and get started for free

Experience the future of education. Simply download our apps or reach out to us for more information. Let's shape the future of learning together!No signup needed.*

Similar Questions

  • 1
    A heating element has a resistance of  $100\,\Omega $ at room temperature. When it is connected to a supply of  $220\,V,$  a steady current of $2\,A$  passes in it and temperature is $500\,^oC$ more than room temperature. What is the temperature coefficient resistance of the heating element?
    View Solution
  • 2
    In the following circuit diagram, $E = 4\,V, r = 1\,\Omega$ and $R = 45\, \Omega$, then  reading of the ammeter $A$ will be
    View Solution
  • 3
    Voltmeters $V_1$ and $V_2$ are connected in series across a $D.C.$ line. $V_1$ reads $80\, volts$ and has a per volt resistance of $200 \,\Omega$. $V_2$ has a total resistance of $32 \,kilo-ohms$. The line voltage is ............. 
    View Solution
  • 4
    Three identical cells are connected in parallel across $A B$. Net emf across $A B$ is .......... $V$
    View Solution
  • 5
    A $10\,V$ battery with internal resistance $1\,\Omega $ and a $15\,V$ battery with internal resistance $0.6\,\Omega $ are connected in parallel to a voltmeter (see figure). The reading in the voltmeter will be close to ................ $V$
    View Solution
  • 6
    Two resistances ${R_1}$ and ${R_2}$ when connected in series and parallel with $120\, V$ line, power consumed will be $25\, W$ and $100\, W$ respectively. Then the ratio of power consumed by ${R_1}$ to that consumed by ${R_2}$ will be
    View Solution
  • 7
    We have a galvanometer of resistance $25\,\Omega $. It is shunted by a $2.5\,\Omega $ wire. The part of total current that flows through the galvanometer is given as
    View Solution
  • 8
    Two wires of same material have length $L$ and $2L $ and cross-sectional areas $4A$ and $A$ respectively. The ratio of their specific resistance would be
    View Solution
  • 9
    If a wire is stretched to make it $0.1 \%$ longer, its resistance will
    View Solution
  • 10
    For a cylinder of radius $R$ current density $J =J_0 \frac{r}{R} $, where $J_0$ is a  constant and $r$ is distance from axis. Calculate total current
    View Solution