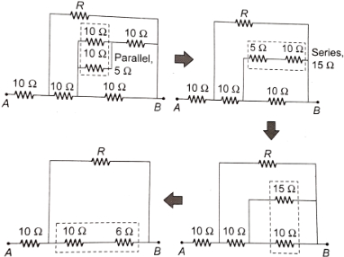
For what value of $R$ the net resistance of the circuit will be $18\, ohms$ ............... $\Omega$
  • A$8$
  • B$10$
  • C$16$
  • D$24$
Medium
art

Download our app
and get started for free

Experience the future of education. Simply download our apps or reach out to us for more information. Let's shape the future of learning together!No signup needed.*

Similar Questions

  • 1
    Ten $60 \,W , 220 \,V$ bulbs are connected in series to $220 \,V$ supply. Power consumed in the circuit is ......... $W$
    View Solution
  • 2
    A beam contains $2 \times 10^8$ doubly charged positive ions per cubic centimeter, all of which are moving with a speed of $10^5 \,m/s$. The current density is ............. $A/m^2$
    View Solution
  • 3
    In a meter bridge experiment null point is obtained at $20\, cm$ from one end of the wire when resistance $X$ is balanced against another resistance $Y$. If $X < Y$, then where will be the new position of the null point from the same end, if one decides to balance a resistance of $4X$ against $Y$ ........... $cm$
    View Solution
  • 4
    The specific resistance of all metals is most affected by
    View Solution
  • 5
    A uniform wire of $16\,\Omega $ is made into the form of a square. Two opposite corners of the square are connected by a wire of resistance $16\,\Omega $. The effective resistance between the other two opposite corners is ...............  $\Omega$
    View Solution
  • 6
    The terminal potential difference of a cell when short-circuited is ($E$ = $E.M.F.$ of the cell)
    View Solution
  • 7
    Two light bulbs in the circuit have rating $A\,[24\ V, 48\,W]$ and $B\,[24\ V, 36\,W]$ as shown.
    View Solution
  • 8
    In the given figure the steady state current $I$ is ................. $\mathrm{A}$
    View Solution
  • 9
    From the graph between current $I$ and voltage $V$ shown below, identify the portion corresponding to negative resistance
    View Solution
  • 10
    The total power dissipated in watts in the circuit shown is ............. $W$
    View Solution