For which of the following dependence of drift velocity $v$ on electric field $E$ is ohm's law obeyed
  • A$v\, \propto \,E$
  • B$v =$ constant
  • C$v\, \propto \,E^{1/2}$
  • D$v\, \propto \,E^2$
Easy
art

Download our app
and get started for free

Experience the future of education. Simply download our apps or reach out to us for more information. Let's shape the future of learning together!No signup needed.*

Similar Questions

  • 1
    A current $I$ flows through a uniform wire of diameter $d,$ when the mean drift velocity is $v_d.$ The same current will flow through a wire of diameter $d/2$ made of the same material, if the mean drift velocity of the electrons is
    View Solution
  • 2
    A galvanometer $(G)$ $\Omega$ of 2 risistance is connected in the givn circuit the raito of charge in $C_1$ and $C_2$ is:

     

    View Solution
  • 3
    Two identical cells send the same current in $2\,\Omega $ resistance, whether connected in series or in parallel. The internal resistance of the cell should be ............... $\Omega$
    View Solution
  • 4
    The resistivity of iron is$1 \times {10^{ - 7}}\,ohm - m$. The resistance of a iron wire of particular length and thickness is $1\, ohm$. If the length and the diameter of wire both are doubled, then the resistivity in $ohm - m$ will be
    View Solution
  • 5
    The current in the primary circuit of a potentiometer is $0.2\, A$. The specific resistance and cross section of the potentiometer wire are $4\times10^{-7}\,ohm$ $metre$ and $8\times10^{-7}\, m^2$ respectively. The potential gradient will be equal to .............. $V/m$
    View Solution
  • 6
    The equivalent resistance between $A$ and $B$ is:
    View Solution
  • 7
    Four resistances of $100$ $\Omega$ each are connected in the form of square. Then, the effective resistance along the diagonal points is .............. $\Omega$
    View Solution
  • 8
    Some electric bulbs are connected in series across a $220\, V$ supply in a room. If one bulb is fused then remaining bulbs are connected again in series across the same supply. The illumination in the room will
    View Solution
  • 9
    What amount of heat will be generated in a coil of resistance $R$ due to a charge $q$ passing through it if the current in the coil decreases to zero uniformly during a time interval $\Delta t$
    View Solution
  • 10
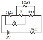
    When the resistance $R$ (indicated in the figure below) is changed from $1 \,k \Omega$. to $10 \,k \Omega$, the current flowing through the resistance $R'$ does not change. What is the value of the resistor $R'?$
    View Solution