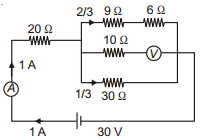
In the circuit shown in figure, if ammeter and voltmeter are ideal, then the power consumed in $9 \,\Omega$ resistor will be .......... $W$
  • A$3.33$
  • B$4$
  • C$1.44$
  • D$500$
Medium
art

Download our app
and get started for free

Experience the future of education. Simply download our apps or reach out to us for more information. Let's shape the future of learning together!No signup needed.*

Similar Questions

  • 1
    An electric heater consists of a nichrome coil and runs under $220 \,V$, consuming $1 \,kW$ power. Part of its coil burned out and it was reconnected after cutting off the burnt portion.The power it will cunsume now is
    View Solution
  • 2
    A cell of $emf$ $E$ and internal resistance $r$ is connected in series with an external resistacne $nr.$ Then, the ratio of the terminal potential difference to $emf$ is
    View Solution
  • 3
    In the circuit shown in figure reading of voltmeter is $V_1$ when only $S_1$ is closed, reading of voltmeter is $ V_2$ when only $S_2$ is closed and reading of voltmeter is $V_3$ when both $S_1$ and $S_2$ are closed. Then
    View Solution
  • 4
    Eight copper wire of length $l$ and diameter $d$ are joined in parallel to form a single composite conductor of resistance $R$. If a single copper wire of length $2\,l$ have the same resistance $(R)$ then its diameter will be $.....d$.
    View Solution
  • 5
    Watt-hour meter measures
    View Solution
  • 6
    The Wheatstone bridge shown in Fig. here, gets balanced when the carbon resistor used as $R_1$ has the colour code (Orange, Red, Brown). The resistors $R_2$ and $R_4$ are $80\, \Omega $ and $40\,\Omega $, respectively. Assuming that the colour code for the carbon resistors gives their accurate values, the colour code for the carbon resistor, used as $R_3$ would be
    View Solution
  • 7
    In the given potentiometer circuit length of the wire $AB$ is $3\,m$ and resistance is $R = 4.5 \,\Omega.$ The length $AC$ for no deflection in galvanometer is ................ $\mathrm{m}$
    View Solution
  • 8
    In the following circuit diagram, $E = 4\,V, r = 1\,\Omega$ and $R = 45\, \Omega$, then  reading of the ammeter $A$ will be
    View Solution
  • 9
    An electric bulb rated as $200\, {W}$ at $100 \,{V}$ is used in a circuit having $200\, {V}$ supply. The resistance $'R'$ that must be put in series with the bulb so that the bulb delivers the same power is $.....\,\Omega$
    View Solution
  • 10
    In a potentiometer arrangement, a cell of $emf$ $1.25\; V$ gives a balance point at $35.0\; cm$ length of the wire. If the cell is replaced by another cell and the balance point shifts to $63.0\; cm ,$ what is the $emf$ of the second cell in $V$?
    View Solution