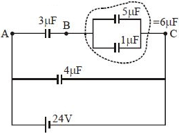
c
As $V_{A}-V_{C}=24 \mathrm{\,V}$
$\mathrm{V}_{\mathrm{AB}}: \mathrm{V}_{\mathrm{BC}}:: 2: 1$
$\mathrm{V}_{\mathrm{B}}-\mathrm{V}_{\mathrm{C}}=\frac{24}{3} \times 1=8 \mathrm{\,V}$
$ \therefore $ Potential difference $1\, \mu \mathrm{F}=8 \mathrm{\,V}$
$ \therefore \mathrm{U}=\frac{1}{2} \mathrm{CV}^{2} $
$=\frac{1}{2} \times 1 \times 10^{-6} \times(8)^{2} $
$=32 \times 10^{-6}=32\, \mu \mathrm{J} $
