Suppose a current carrying wire has a cross-sectional area that, gradually become smaller along the wire, has the shape of a very long cone as shown in figure. Choose the correct statement
  • A
    Electric current is different in different portions of wire
  • BElectric field at point $A$ is same as that of point $B$
  • CDrift speed of electrons at point $A$ is lesser than that of at point $B$
  • DDrift speed of electrons at point $A$ is same as that of at point $B$
Medium
art

Download our app
and get started for free

Experience the future of education. Simply download our apps or reach out to us for more information. Let's shape the future of learning together!No signup needed.*

Similar Questions

  • 1
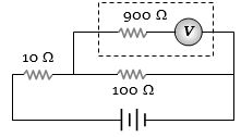
    The potential difference across the $100\,\Omega$ resistance in the following circuit is measured by a voltmeter of $900 \,\Omega$ resistance. The percentage error made in reading the potential difference is
    View Solution
  • 2
    A battery of $6\,V$ is connected to the circuit as shown below. The current I drawn from the battery is:
    View Solution
  • 3
    A time varying current $i$ is passed through a resistance $R$ as shown in figure. The total heat generated in the resistance is
    View Solution
  • 4
    The length of the resistance wire is increased by $10\%$. What is the corresponding change in the resistance of wire ................ $\%$
    View Solution
  • 5
    The number of dry cells, each of $e.m.f.$ $1.5\,volt$ and internal resistance $0.5\, ohm$ that must be joined in series with a resistance of $20\, ohm$ so as to send a current of $0.6\,A$ through the circuit is
    View Solution
  • 6
    If a power of $100\, W$ is being supplied across a potential difference of $200\, V$, current flowing is ............ $A$
    View Solution
  • 7
    Wheatstone bridge principle is used to measure the specific resistance $\left(S_1\right)$ of given wire, having length $L$, radius $r$. If $X$ is the resistance of wire, then specific resistance is: $S_1=X\left(\frac{\pi r^2}{L}\right)$. If the length of the wire gets doubled then the value of specific resistance will be :
    View Solution
  • 8
    The capacitor shown in fig. is in steady state. The energy stored in the capacitor is
    View Solution
  • 9
    A heater of $220\, V$ heats a volume of water in $5\,\min$ time. A heater of $110\, V$ heats the same volume of water in ............... $min$
    View Solution
  • 10
    In the given circuit, the equivalent resistance between the terminal $A$ and $B$ is $........\Omega$.
    View Solution