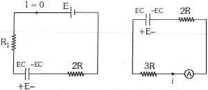
The capacitor $'C'$ is initially uncharged.  Switch $S_1$ is closed for a long time while $S_2$ remains open. Now at $t = 0$ , $S_2$ is closed while $S_ 1$ is opened. All the batteries are ideal and connecting wires are resistanceless. Find $INCORRECT$ statement
Diffcult
Download our app for free and get startedPlay store
$\dot{\mathrm{i}}=\frac{\mathrm{E}}{5 \mathrm{R}}$

equation of charge of capacitor

$q = CE{e^{ - t/\tau }}$

$q = EC{e^{ - t/5RC}}$

at $\quad t = 5\,{\rm{RC}}\,\ell {\rm{n}}\,2$

$\mathrm{q}=\frac{\mathrm{EC}}{2}$

art

Download our app
and get started for free

Experience the future of education. Simply download our apps or reach out to us for more information. Let's shape the future of learning together!No signup needed.*

Similar Questions

  • 1
    A regular hexagon of side $10\; cm$ has a charge $5 \;\mu\, C$ at each of its vertices. Calculate the potential at the centre of the hexagon.
    View Solution
  • 2
    An electric dipole of moment $p$ is placed in the position of stable equilibrium in uniform electric field of intensity $E$. It is rotated through an angle $\theta $ from the initial position. The potential energy of electric dipole in the final position is
    View Solution
  • 3
    Two identical capacitors, have the same capacitance $C$. One of them is charged to potential $V_1$ and the other to $V_2$. The negative ends of the capacitors are connected together. When the positive ends are also connected, the decrease in energy of the combined system is
    View Solution
  • 4
    The radii of the inner and outer spheres of a condenser are $9\,cm$ and $10\,cm$ respectively. If the dielectric constant of the medium between the two spheres is $6$ and charge on the inner sphere is $18 \times {10^{ - 9}}\;coulomb$, then the potential of inner sphere will be, if the outer sphere is earthed........$volts$
    View Solution
  • 5
    Two capacitors of $2$ $\mu F$ and $3$ $\mu F$ are charged to $150$ $volt$ and $120$ $volt$ respectively. The plates of capacitor are connected as shown in the figure. A discharged capacitor of capacity $1.5$ $\mu F$ falls to the free ends of the wire. Then
    View Solution
  • 6
    A parallel plate air capacitor is charged and then isolated. When a dielectric material is inserted between the plates of the capacitor, then which of the following does not change
    View Solution
  • 7
    See the diagram . Area of each plate is $2.0\ m^2$ and $d = 2 \times 10^{-3}\ m$. A charge of $8.85 \times 10^{-8}\ C$ is given to $Q$. Then the potential of $Q$ becomes......$V$
    View Solution
  • 8
    $X $ and $Y$ are large, parallel conducting plates closed to each other. Each face has an area $A$. $X$ is given a charge $Q$. $Y$ is without any charge. Points $A, B$ and $C$ are as shown in figure. 
    View Solution
  • 9
    In a region, the potential is represented by $V(x, y, z) = 6x - 8xy - 8y + 6yz$, where $V$ is in volts and $x, y, z$ are in metres. The electric force experienced by a charge of $2$ coulomb situated at point $( 1, 1, 1)$ is
    View Solution
  • 10
    Two charged particles of masses $m$ and $2m$ have charges $+2q$ and $+q$ respectively. They are kept in uniform electric field and allowed to move for some time. The ratio of their kinetic energies will be
    View Solution