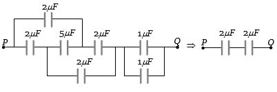
The effective capacitance between the points $P$ and $Q$ of the arrangement shown in the figure is......$\mu F$
  • A$0.5$
  • B$1$
  • C$2$
  • D$1.33$
Medium
art

Download our app
and get started for free

Experience the future of education. Simply download our apps or reach out to us for more information. Let's shape the future of learning together!No signup needed.*

Similar Questions

  • 1
    Force acting upon a charged particle kept between the plates of a charged condenser is $F$. If one plate of the condenser is removed, then the force acting on the same particle will become
    View Solution
  • 2
    Two identical positive charges are placed at $x =\, -a$ and $x = a$ . The correct variation of potential $V$ along the $x-$ axis is given by
    View Solution
  • 3
    Electric potential in a region is varying according to the relation $V=\frac{3 x^2}{2}-\frac{y^2}{4}$, where $x$ and $y$ are in metre and $V$ is in volt. Electric field intensity (in $N/C$) at a point $(1 \,m , 2 \,m$ ) is ......
    View Solution
  • 4
    In the circuit shown, each capacitor has a capacitance $C$. The emf of the cell is $E$. If the switch $S$ is closed
    View Solution
  • 5
    Two thin dielectric slabs of dielectric constants $K_1$ and $K_2$ $(K_1 < K_2)$ are inserted between plates of a parallel plate capacitor, as shown in the figure. The variation of electric field $E$ between the plates with distance $d$ as measured from plate $P$ is correctly shown by
    View Solution
  • 6
    An initially uncharged capacitor $C$ is being charged by a battery of emf $E$ through a resistance $R$ upto the instant, when the capacitor is charged to the potential $E / 2$, then the ratio of the work done by the battery to the heat dissipated by the resistor is given by
    View Solution
  • 7
    Three capacitors $A,B$ and $C$ are connected with battery $emf\, \varepsilon $. All capacitors are identical initially. If dielectric slab is inserted between plates of capacitor $A$ slowy with help of external force then 
    View Solution
  • 8
    Find out equivalent capacitance between $A$ and $B$.
    View Solution
  • 9
    The give graph shown variation (with distance $r$ from centre) of
    View Solution
  • 10
    The lower plate of a parallel plate capacitor is supported on a rigid rod. The upper plate is suspended from one end of a balance. The two plates are joined together by a thin wire and subsequently disconnected. The balance is then counterpoised. Now a voltage $V = 5000\, volt$ is applied between the plates. The distance between the plates is $d =5\, mm$ and the area of each plate is $A = 100 cm^2.$ Then find out the additional mass placed to maintain balance.......$g$ [All the elements other than plates are massless and nonconducting] :-
    View Solution