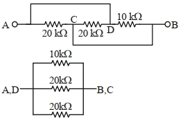
The equivalent resistance between $A$ and $B$ as shown in figure is $........\,k\Omega$
  • A$5$
  • B$30$
  • C$10$
  • D$20$
JEE MAIN 2023, Easy
art

Download our app
and get started for free

Experience the future of education. Simply download our apps or reach out to us for more information. Let's shape the future of learning together!No signup needed.*

Similar Questions

  • 1
    In the experimental setup of meter bridge shown in the figure, the null point is obtained at a distance of $40\,cm$ from $A$. If a $10\,\Omega $ resistor is connected in series with $R_1$, the null point shifts by $10\,cm$. The resistance that should be connected in parallel with $\left( {{R_1} + 10} \right)\,\Omega $ such that the null point shifts back to its initial position is .............. $\Omega$
    View Solution
  • 2
    The current in the given circuit is ................ $A$
    View Solution
  • 3
    A rise of temperature of $4\,^oC$ is observed in a conductor by passing a current. If the current is tripled, the rise temperature will be .............. $^oC$
    View Solution
  • 4
    A wire when connected to $220\,V$ mains supply has power dissipation ${P_1}$. Now the wire is cut into two equal pieces which are connected in parallel to the same supply. Power dissipation in this case is ${P_2}$. Then ${P_2}:{P_1}$ is
    View Solution
  • 5
    In the circuit given $E = 6.0 \,V, R_1 = 100\, ohms, R_2 = R_3 = 50\, ohms, R_4 = 75\, ohms$. The equivalent resistance of the circuit, in $ohms$, is
    View Solution
  • 6
    In the circuit shown in figure reading of voltmeter is $V_1$ when only $S_1$ is closed, reading of voltmeter is $ V_2$ when only $S_2$ is closed and reading of voltmeter is $V_3$ when both $S_1$ and $S_2$ are closed. Then
    View Solution
  • 7
    A constant electric current $I$ is passed through a straight conductor of length $l$. If $S$ in specific charge of electron then the total momentum of electrons is
    View Solution
  • 8
    Assertion : All electric devices shown in the circuit are ideal. The reading of each of ammeter $(a)$ and voltmeter $(V)$ is zero.

    Reason : An ideal voltmeter draws almost no current due to very large resistance, and hence $(V)$ and $(a)$ will read zero.

    View Solution
  • 9
    A wire of length $L$ and $3$ identical cells of negligible internal resistances are connected in series. Due to current, the temperature of the wire is raised by $\Delta T$ in a time $t$. A number $N$ of similar cells is now connected in series with a wire of the same material and cross-section but of length $2\, L$. The temperature of the wire is raised by the same amount $\Delta T$ in the same time $t$. the value of $N$ is
    View Solution
  • 10
    If two bulbs of wattage $25$ and $100$ respectively each rated at $220\, volt$ are connected in series with the supply of $440\, volt$, then which bulbs will fuse
    View Solution