The resistors of resistances $2$ $\Omega$, $4$ $\Omega$ and $8$ $\Omega$ are connected in parallel, then the equivalent resistance of the combination will be
  • A$\frac{8}{7}\,\Omega $
  • B$\frac{7}{8}\,\Omega $
  • C$\frac{7}{4}\,\Omega $
  • D$\frac{4}{9}\,\Omega $
Easy
art

Download our app
and get started for free

Experience the future of education. Simply download our apps or reach out to us for more information. Let's shape the future of learning together!No signup needed.*

Similar Questions

  • 1
    Following figure shows cross-sections through three long conductors of the same length and material, with square cross-section of edge lengths as shown. Conductor $B$ will fit snugly within conductor $A$, and conductor $C$ will fit snugly within conductor $B$. Relationship between their end to end resistance is
    View Solution
  • 2
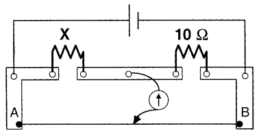
    A meter bridge is set-up as shown, to determine an unknown resistance ' $X$ ' using a standard $10$ ohm resistor. The galvanometer shows null point when tapping-key is at $52 \ cm$ mark. The end-corrections are $1 \ cm$ and $2 \ cm$ respectively for the ends $A$ and $B$. The determined value of ' $X$ ' is
    View Solution
  • 3
    A current of $2\,A$ flows in a system of conductors as shown. The potential difference $({V_A} - {V_B})$ will be ............ $V$
    View Solution
  • 4
    The equivalent resistance between the points $P$ and $Q$ in the network given here is equal to  ................ $\Omega$ (given $r = \frac{3}{2}\Omega $)
    View Solution
  • 5
    A uniform wire of $16\,\Omega $ is made into the form of a square. Two opposite corners of the square are connected by a wire of resistance $16\,\Omega $. The effective resistance between the other two opposite corners is ...............  $\Omega$
    View Solution
  • 6
    In the circuit shown, $A$ and $V$ are ideal ammeter and voltmeter respectively. Reading of the voltmeter will be ............... $V$
    View Solution
  • 7
    In the circuit shown, a four wire potentiometer is made of a $400\, cm$ long wire, which extends between $A$ and $B$. The resistance per unit length of the potentiometer wire is $r = 0.01\, \Omega /cm$. If an ideal voltmeter is connected as shown with jockey $J$ at $50\, cm$ from end $A$, the expected reading of the voltmeter will be: ............... $V$
    View Solution
  • 8
    In the circuit shown, the reading of the Ammeter is doubled after the switch is closed. Each resistor has a resistance $1\,\Omega $ and the ideal cell has an $e.m.f.$ $10\, V$. Then, the Ammeter has a coil resistance equal to ............... $\Omega$
    View Solution
  • 9
    If two wires having resistance $R$ and $2R$. Both joined in series and in parallel then ratio of heat generated in this situation, applying the same voltage,
    View Solution
  • 10
    The lowest resistance which can be obtained by connecting $10$ resistors each of $1/10$ $ohm$ is
    View Solution