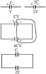
$\Rightarrow$ By conservation of charge
$q_{i}=q_{f}$
$Q_{1}+Q_{2}=q_{1}+q_{2}$
$4 CV - CV =( C +2 C ) V _{ C }$
$v _{ C }=\frac{3 CV }{3 C } \Rightarrow V$
$\Rightarrow \frac{1}{2} \times(3 C) \times V_{ c }^{2}$
$=\frac{1}{2} \times 3 C \times V ^{2}=\frac{3}{2} CV ^{2}$

