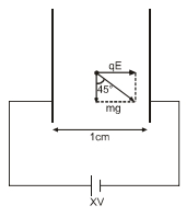
$1.67 \times 10^{-27} \times 10=1.6 \times 10^{-19} \times \frac{ X }{0.01} $
$X=\frac{1.67}{1.6} \times 10^{-9} V $
$X=1 \times 10^{-9} V$
Reason : The field just outside the capacitor is $\frac{\sigma }{{{\varepsilon _0}}}$. ( $\sigma $ is the charge density).
$\left\{ Use : \frac{1}{4 \pi \varepsilon_{0}}=9 \times 10^{9} Nm ^{2} C ^{-2}\right\}$

