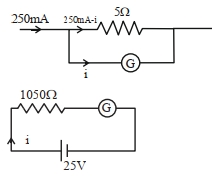
When a resistance of $5\,\Omega$ is shunted with a moving coil galvanometer, it shows a full scale deflection for a current of $250\,mA$, however when $1050\,\Omega$ resistance is connected with it in series, it gives full scale deflection for $25$ volt. The resistance of galvanometer is $......\,\Omega$.
  • A$40$
  • B$30$
  • C$50$
  • D$20$
JEE MAIN 2023, Diffcult
art

Download our app
and get started for free

Experience the future of education. Simply download our apps or reach out to us for more information. Let's shape the future of learning together!No signup needed.*

Similar Questions

  • 1
    A current $I$ flows along the length of an infinitely long, straight and thin-walled pipe. Then
    View Solution
  • 2
    Consider the two idealised systems $(i)$ a parallel plate capacitor with large plates and small separation and $(ii)$ a long solenoid of length $L >> R$, radius of cross-section. In $(i)\, E$ ideally treated as a constant between plates and zero outside. In $(ii)$ magnetic field is constant inside the solenoid and zero outside. These idealised assumptions, however, contradict fundamental laws as below
    View Solution
  • 3
    A wire carrying current $I$ has the shape as shown in adjoining figure.Linear parts of the wire are very long and parallel to $X-$axis while semicircular portion of radius $R$ is lying in $Y-Z$ plane. Magnetic field at point $O$ is
    View Solution
  • 4
    Magnetic dipole moment of a rectangular loop is
    View Solution
  • 5
    Two wires $A$ and $B$ are carrying currents $I_1$ and $I_2$ as shown in the figure. The separation between them is $d$. A third wire $C$ carrying a current $I$ is to be kept parallel to them at a distance $x$ from $A$ such that the net force acting on it is zero. The possible values of $x$ are
    View Solution
  • 6
    An electron and a proton enter region of uniform magnetic field in a direction at right angles to the field with the same kinetic energy. They describe circular paths of radius ${r_e}$ and ${r_p}$ respectively. Then
    View Solution
  • 7
    A current carrying rectangular coil is placed in a uniform magnetic field. In which orientation, the coil will not tend to rotate
    View Solution
  • 8
    An electron moving with a speed $u$ along the positive $x-$axis at $y = 0$ enters a region of uniform magnetic field $\overrightarrow B = - {B_0}\hat k$ which exists to the right of $y$-axis. The electron exits from the region after some time with the speed $v$ at co-ordinate $y$, then
    View Solution
  • 9
    A current of $1\,A$ is flowing on the sides of an equilateral triangle of side $4.5\times10^{-2}\,m$ . The magnetic field at the centre of the triangle will be
    View Solution
  • 10
    The acceleration of an electron at a moment in a magentic field $\vec B\, = \,2\hat i + 3\hat j + 4\hat k$ is $\vec a\, = \,x\hat i - 2\hat j + \hat k$. The value of $x$ is
    View Solution