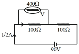
$=180\,\Omega$
$i =\frac{90}{180}=\frac{1}{2}\,A$
$\text { Reading }=\frac{1}{2} \times \frac{400}{500} \times 100$
$=40\,volt$
$(1)$ The measured value of $R$ will be $978 \Omega$
$(2)$ The resistance of the Voltmeter will be $100 k \Omega$.
$(3)$ The resistance of the Ammeter will be $0.02 \Omega$ (round off to $2^{\text {nd }}$ decimal place)
$(4)$ If the ideal cell is replaced by a cell having internal resistance of $5 \Omega$ then the measured value of $R$ will be more than $1000 \Omega$.
