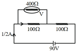
A cell of emf $90\,V$ is connected across series combination of two resistors each of $100\,\Omega$ resistance. A voltmeter of resistance $400\,\Omega$ is used to measure the potential difference across each resistor. The reading of the voltmeter will be $.........\,V$
  • A$40$
  • B$45$
  • C$80$
  • D$90$
JEE MAIN 2023, Medium
art

Download our app
and get started for free

Experience the future of education. Simply download our apps or reach out to us for more information. Let's shape the future of learning together!No signup needed.*

Similar Questions

  • 1
    An electron, a proton and an alpha particle having the same kinetic energy are moving in circular orbits of radii $r_e,r_p$ and ${r_\alpha }$ respectively in a uniform magnetic field $B$. The relation between $r_e,r_p$ and $\;{r_\alpha }$ is
    View Solution
  • 2
    A square-shaped conducting wire loop of dimension moving parallel to the $X$-axis approaches a square region of size $b(a < b)$, where a uniform magnetic field $B$ exists pointing into the plane of the paper (see figure). As the loop passes through this region, the plot correctly depicting its speed $v$ as a function of $x$ is
    View Solution
  • 3
    A current of $0.1\, A$ circulates around a coil of $100$ $turns$ and having a radius equal to $5\,cm$. The magnetic field set up at the centre of the coil is ($\mu_0 = 4\pi \times 10^{-7} weber/amp-metre$)
    View Solution
  • 4
    In a cyclotron experiment, if we assume that maximum radius attained by any charged particle is equal to radius of dees, then minimum kinetic energy gained by the particles will be for
    View Solution
  • 5
    The pole pieces of the magnet used in a pivoted coil galvanometer are
    View Solution
  • 6
    An insulating thin rod of length $l$ has a linear charge density $\rho \left( x \right) = {\rho _0}\,\frac{x}{l}$ on it. The rod is rotated about an axis passing through the origin $(x = 0)$ and perpendicular to the rod. If the rod makes $n$ rotations per second, then the time averaged magnetic moment of the rod is
    View Solution
  • 7
    Two parallel wires in free space are $10\, cm$ apart and each carries a current of $10\, A$ in the same direction. The force one wire exerts on the other per metre of length is
    View Solution
  • 8
    An electron having mass $m$ and kinetic energy $K$ enter in uniform magnetic field $B$ perpendicularly, then its frequency will be
    View Solution
  • 9
    If a copper rod carries a direct current, the magnetic field associated with the current will be
    View Solution
  • 10
    A cylindrical conductor of radius $R$ is carrying a constant current. The plot of the magnitude of the magnetic field, $B$ with the distance $d$, from the centre of the conductor, is correctly represented by the figure$.....$
    View Solution