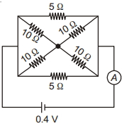
Calculate the current shown by the ammeter $A$ in the circuit diagram is .............. $A$
  • A$0.1$
  • B$0.2$
  • C$0.3$
  • D$0.4$
Medium
art

Download our app
and get started for free

Experience the future of education. Simply download our apps or reach out to us for more information. Let's shape the future of learning together!No signup needed.*

Similar Questions

  • 1
    A generator has armature resistance of $0 .1\,\Omega $ and develops an induced emf of $120 \,V$ when driven at its rated speed. Its terminal voltage when a current of $50\,A$ is being drawn is ................. $V$
    View Solution
  • 2
    A potentiometer $PQ$ is set up to compare two resistances as shown in the figure. The ameter $A$ in the circuit reads $1.0\, A$ when two way key $K_3$ is open. The balance point is at a length $l_1\, cm$ from $P$ when two way key $K_3$ is plugged in between $2$ and $1$ , while the balance point is at a length $l_2\, cm$ from $P$ when key $K_3$ is plugged in between $3$ and $1$ . The ratio of two resistances $\frac{{{R_1}}}{{{R_2}}}$ is found to be
    View Solution
  • 3
    Figure shows a thick shell made of electrical conductivity $\sigma$ and has inner & outer radii of $10\  cm$ & $20\  cm$ respectively and is filled with ice inside it. Its inside and outside surface are kept at different potentials by a battery of internal resistance $\frac{2}{\pi} \Omega \ \&\  \epsilon = 5V$. Find value of $\sigma$ for which ice melts at maximum possible rate if $25\%$ of heat generated by shell due to joule heating is used to melt ice.
    View Solution
  • 4
    The resistivity of alloys $ = {R_{{\rm{alloy}}}}$; the resistivity of constituent metals ${R_{{\rm{metal}}}}$. Then, usually
    View Solution
  • 5
    In given circuit current through $AB$ is zero, then what will be the value of unknown resistance $'X'$ ............... $\Omega$
    View Solution
  • 6
    A current of $2\,A$ flows in a system of conductors as shown. The potential difference $({V_A} - {V_B})$ will be ............ $V$
    View Solution
  • 7
    A $10\, V$ storage battery of negligible internal resistance is connected across a $50\,\Omega $ resistor. How much heat energy is produced in the resistor in $1$ hour ............... $J$
    View Solution
  • 8
    Eight resistances each of resistance $5\,\Omega $ are connected in the circuit as shown in figure. The equivalent resistance between $A$ and $B$ is
    View Solution
  • 9
    In the circuit shown, $n$-identical resistors $R$ are connected in parallel $(n > 1)$ and the combination is connected in series to another resistor $R_0$. In the adjoining circuit $n$ resistors of resistance $R$ are all connected in series alongwith $R_0$. The batteries in both circuits are identical and net power dissipated in the $n$ resistors in both circuits is same. The ratio $R_0 / R$ is
    View Solution
  • 10
    Find the ratio of currents as measured by ammeter in two cases when the key is open and when the key is closed
    View Solution