
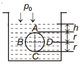
Points at same height have same pressure, points with height difference say ' $h$ ' will have difference of $\rho g h$.
Let radius of circle is $r$
$p_A=p_0+h \rho g$
$p_B=p_D=p_0+(h+r) \rho g$
$p_C=p_0+(h+2 r) \rho g$
Then,
$p_C+p_A=\left[p_0+(h+2 r) \rho g\right]-\left[p_0+h \rho g\right]$
$=p_0+h \rho g+2 r \rho g+p_0+h \rho g$
$=2\left[p_0+(h+r) \rho g\right]$
$\frac{p_C+p_A}{2}=p_0+(h+r) \rho g$
$\frac{p_C+p_A}{2}=p_B=p_D$
i.e., option $(a), (b)$ and $(d)$ gives correct statement but incorrect statement is $(c)$
(Take acceleration due to gravity $=10\,ms ^{-2}$ )
