For a charged spherical ball, electrostatic potential inside the ball varies with $r$ as $V =2 ar ^2+ b$. Here, $a$ and $b$ are constant and $r$ is the distance from the center. The volume charge density inside the ball is $-\lambda a \varepsilon$. The value of $\lambda$ is $...........$. $\varepsilon=$ permittivity of medium.
  • A$11$
  • B$12$
  • C$6$
  • D$3$
JEE MAIN 2023, Diffcult
art

Download our app
and get started for free

Experience the future of education. Simply download our apps or reach out to us for more information. Let's shape the future of learning together!No signup needed.*

Similar Questions

  • 1
    Two charged particles of masses $m$ and $2m$ have charges $+2q$ and $+q$ respectively. They are kept in uniform electric field and allowed to move for some time. The ratio of their kinetic energies will be
    View Solution
  • 2
    In the given circuit if point $C$ is connected to the earth and a potential of $ + \,2000\,V$ is given to the point $A$, the potential at $B$ is.....$V$
    View Solution
  • 3
    A particle of mass $m$ having negative charge $q$ move along an ellipse around a fixed positive charge $Q$ so that its maximum and minimum distances from fixed charge are equal to $r_1$ and $r_2$ respectively. The angular momentum $L$ of this particle is
    View Solution
  • 4
    Consider the points lying on a straight line joining two fixed opposite charges. Between the charges there is
    View Solution
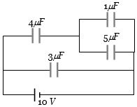
  • 5
    The charge on $4\, \mu F$ capacitor in the given circuit is .... in $\mu C$
    View Solution
  • 6
    Two insulated charged conducting spheres of radii $20\,cm$ and $15\,cm$ respectively and having an equal charge of $10\,C$ are connected by a copper wire and then they are separated. Then
    View Solution
  • 7
    A positive point charge is released from rest at a distance $r_0$ from a positive line charge with uniform density. The speed $(v)$ of the point charge, as a function of instantaneous distance $r$ from line charge, is proportional to
    View Solution
  • 8
    Assertion : Electric potential and electric potential energy are different quantities.

    Reason : For a system of positive test charge and point charge electric potential energy $=$ electric potential.

    View Solution
  • 9
    $S_1$ and $S_2$ are two equipotential surfaces on which the potentials are not equal. Which of the statement is incorrect ?
     
    View Solution
  • 10
    The electric field between the plates of a parallel plate capacitor when connected to a certain battery is ${E_0}$. If the space between the plates of the capacitor is filled by introducing a material of dielectric constant $K$ without disturbing the battery connections, the field between the plates shall be
    View Solution