c
(image)
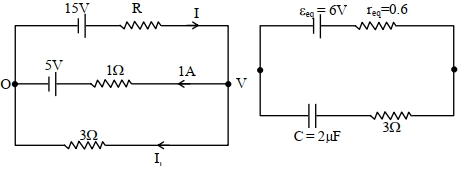
By writing voltage drop across $1 \Omega$
$\Rightarrow 0+5+1 \times 1=\mathrm{V}$
$\quad \mathrm{V}=6$
$\Rightarrow \text { Similarly across } \mathrm{R}$
$0+15-\mathrm{I} \times \mathrm{R}=6$
$\mathrm{IR}=9$
$\Rightarrow \text { across } 3 \Omega$
$\quad 6-3 \mathrm{I}_1=0$
$\mathrm{I}_1=2 \mathrm{~A}$
Hence option $(B)$ is correct
$\Rightarrow \quad \mathrm{I}=1+2$
$\mathrm{I}=3$
$\mathrm{IR}=9$
$\mathrm{R}=3 \Omega$
Option $(A)$ is correct
(image)
$\varepsilon=\frac{\frac{15}{3}+\frac{5}{1}+\frac{0}{3}}{\frac{1}{3}+\frac{1}{1}+\frac{1}{3}}=10 \times \frac{3}{5}=6 \mathrm{~V}$
$\mathrm{q}_{\max }=2 \times 6=12 \mu \mathrm{C}$
$\mathrm{i}=\frac{6}{3.6} \mathrm{e}^{-\frac{\mathrm{t}}{\tau}}$
$=\frac{5}{3} \mathrm{e}-\frac{7.2}{7.2}=\frac{5}{3} \mathrm{e}^{-1} \approx 0.6 \mathrm{~A}$
