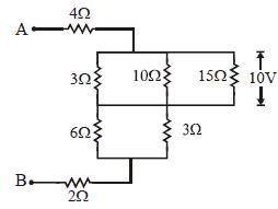
In the circuit shown in the figure $K_1$ is open. The charge on capacitor $C$ in steady state is $q_1$. Now key is closed and at steady state charge on $C$ is $q_2$. The ratio of charges $q_1/q_2$ is
  • A$5/3$
  • B$3/5$
  • C$1$
  • D$2/3$
Diffcult
art

Download our app
and get started for free

Experience the future of education. Simply download our apps or reach out to us for more information. Let's shape the future of learning together!No signup needed.*

Similar Questions

  • 1
    An electric bulb rated for $500\, watts$ at $100\, volts$ is used in a circuit having a $200-volt$ supply. The resistance $R$ that must be put in series with the bulb, so that the bulb draws $500\, W$ is .................. $\Omega$
    View Solution
  • 2
    In the given potentiometer circuit, the resistance of the potentiometer wire $AB$ is $R_0$. $C$ is a cell of internal resistance $r$. The galvanometer $G$ does not give zero deflection for any position of the jockey $J$. Which of the following cannot be a reason for this?
    View Solution
  • 3
    In the circuit shown in figure, the resistance of voltmeter is $6\, k\Omega $. The voltmeter reading will be ................. $\mathrm{V}$
    View Solution
  • 4
    When current supplied by a cell to a circuit is $0.3 \,A$, its terminal potential difference is $0.9 \,V$. When the current supplied becomes $0.25 \,A$, its terminal potential difference becomes $1.0 \,V$. The internal resistance of the cell is ............ $\Omega$
    View Solution
  • 5
    Express which of the following setups can be used to verify Ohm’s law
    View Solution
  • 6
    The resistance of the meter bridge $AB$ in given figure is $4\,\Omega $. With a cell of emf  $\varepsilon \, = 0.5\,\,V$ and rheostat resistance $R_h = 2\,\Omega $ the null point is obtained at some point $J.$ When the cell is replaced by another one of emf $\varepsilon \, = {\varepsilon _2}$ the same null point $J$ is found for $R_h = 6\,\Omega .$ The $emf$  ${\varepsilon _2}$ is ................. $V$
    View Solution
  • 7
    A wire is broken in four equal parts. A packet is formed by keeping the four wires together. The resistance of the packet in comparison to the resistance of the wire will be
    View Solution
  • 8
    A copper wire of length $10\,m$ and radius $\left(10^{-2} / \sqrt{\pi}\right) m$ has electrical resistance of $10 \,\Omega$. The current density in the wire for an electric field strength of $10( V / m )$ is :
    View Solution
  • 9
    Calculate the potential difference between, points $A$ and $B$ and current flowing in $10\,\Omega $ resistor in the part of network below
    View Solution
  • 10
    A cylindrical copper rod has length $L$ and resistance $R$. If it is melted and formed into another rod of length $2 L$, then the resistance will be ....... $R$
    View Solution