In the figure shown the electric potential energy of the system is: ( $q$ is at the centre of the conducting neutral spherical shell of inner radius $a$ and outer radius $b$ )
Medium
Download our app for free and get startedPlay store
$U\, = \,\frac{{ - kqq}}{a}\, + \,\frac{{{\rm{kqq}}}}{b} - \,\frac{{{\rm{kqq}}}}{b} + \frac{{k{q^2}}}{{2a}} + \frac{{k{q^2}}}{{2b}} = \frac{{k{q^2}}}{{2b}} - \frac{{k{q^2}}}{{2a}}$
art

Download our app
and get started for free

Experience the future of education. Simply download our apps or reach out to us for more information. Let's shape the future of learning together!No signup needed.*

Similar Questions

  • 1
    Assertion : The total charge stored in a capacitor is zero.

    Reason : The field just outside the capacitor is $\frac{\sigma }{{{\varepsilon _0}}}$. ( $\sigma $ is the charge density).

    View Solution
  • 2
    The mean free path of electrons in a metal is $4 \times 10^{-8} \;m$. The electric field which can give on an average $2 \;eV$ energy to an electron in the metal will be in units of $V / m$
    View Solution
  • 3
    Calculate the charge on the second capacitor before and after switch in the circuit is closed
    View Solution
  • 4
    A battery does $200 \,J$ of work in charging a capacitor. The energy stored in the capacitor is ......... $J$
    View Solution
  • 5
    A charge of $40\,\mu \,C$ is given to a capacitor having capacitance $C = 10\,\mu \,F$. The stored energy in ergs is
    View Solution
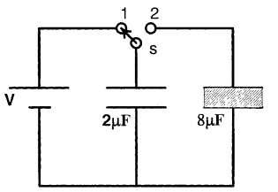
  • 6
    A $2 \ \mu F$ capacitor is charged as shown in figure. The percentage of its stored energy dissipated after the switch $S$ is turned to position $2$ is
    View Solution
  • 7
    If an electron enters into a space between the plates of a parallel plate capacitor at an angle $\alpha $ with the plates and leaves at an angle $\beta $ to the plates, the ratio of its kinetic energy while entering the capacitor to that while leaving will be
    View Solution
  • 8
    The variation of electrostatic potential with radial distance $r$ from the centre of a positively charged metallic thin shell of radius $R$ is given by the graph
    View Solution
  • 9
    The give graph shown variation (with distance $r$ from centre) of
    View Solution
  • 10
    Initially the circuit is in steady state. Now one of the capacitor is filled with dielectric of dielectric constant $2$ . Find the heat loss in the circuit due to insertion of dielectric
    View Solution