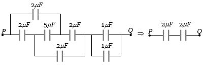
The effective capacitance between the points $P$ and $Q$ of the arrangement shown in the figure is......$\mu F$
Medium
Download our app for free and get startedPlay store
(b) The given circuit can be redrawn as follows
 ${C_{PQ}} = 1\,\mu F$
art

Download our app
and get started for free

Experience the future of education. Simply download our apps or reach out to us for more information. Let's shape the future of learning together!No signup needed.*

Similar Questions

  • 1
    The charge $q$ is fired towards another charged particle $Q$ which is fixed, with a speed $v$. It approaches $Q$ upto a closest distance $r$ and then returns. If $q$ were given a speed $2 v$, the closest distance of approach would be
    View Solution
  • 2
    Sixty-four drops are jointed together to form a bigger drop. If each small drop has a capacitance $C$, a potential $V$, and a charge $q$, then the capacitance of the bigger drop will be
    View Solution
  • 3
    Two charges of magnitude $+ q$ and $-\,3q$ are placed $100\,cm$ apart. The distance from $+ q$ between the charges where the electrostatic potential is zero is.......$cm$
    View Solution
  • 4
    The time constant of given circuit is 
    View Solution
  • 5
    The parallel combination of two air filled parallel plate capacitors of capacitance $C$ and $nC$ is connected to a battery of voltage, $V$. When the capacitor are fully charged, the battery is removed and after that a dielectric material of dielectric constant $K$ is placed between the two plates of the first capacitor. The new potential difference of the combined system is
    View Solution
  • 6
    Two condensers, one of capacity $C$ and other of capacity $C/2$ are connected to a $V-$ volt battery, as shown in the figure. The work done in charging fully both the condensers is
    View Solution
  • 7
    The switch $S_w$ is shifted from position $1$ to position $2$ as shown in the figure. Heat generated in the circuit is
    View Solution
  • 8
    Three plates $A,\;B,\;C$each of area $50\,c{m^2}$ have separation $3\,mm$ between $A$ and $B$ and $3\,mm$ between $B$ and $C$. The energy stored when the plates are fully charged is
    View Solution
  • 9
    As shown in the figure, two parallel plate capacitors having equal plate area of $200\,cm ^2$ are joined in such a way that $a \neq b$. The equivalent capacitance of the combination is $x \varepsilon_0 F$. The value of $x$ is $..........$.
    View Solution
  • 10
    The work done in moving an electric charge $q$ in an electric field does not depend upon
    View Solution