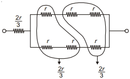
The effective resistance of the network between points $A$ and $B$ is
  • A$r$
  • B$2 r$
  • C$\frac{4 r}{3}$
  • D$\frac{7 r}{3}$
Easy
art

Download our app
and get started for free

Experience the future of education. Simply download our apps or reach out to us for more information. Let's shape the future of learning together!No signup needed.*

Similar Questions

  • 1
    A cell of internal resistance $r$ is connected across an external resistance $n r$. Then the ratio of the terminal voltage to the emf of the cell is
    View Solution
  • 2
    In a potentiometer arrangement. $E_1$ is the cell establishing current in primary circuit. $E_2$ is the cell to be measured. $AB$ is the potentiometer wire and $G$ is a galvanometer. Which of the following are the essential condition for balance to be obtained.
    View Solution
  • 3
    Figure shows three similar lamp. $L_1,L_2$ and $L_3$ connected across a power supply. If the lamp $L_3$ fuses, how will the light emitted by $L_1$ and $L_2$ change ?
    View Solution
  • 4
     A potentiometer circuit has been set up for finding the internal resistance of a given cell. The main battery, used across the potentiometer wire, has an emf of $2.0\,V$ and a negligible internal resistance. The potentiometer wire itself is $4\,m$ long. When the resistance $R,$ connected across the given cell, has values of  $(i)$ infinity $(ii)$ $9.5\,\Omega$ the balancing lengths on the potentiometer wire are found to be $3\,m$ and $2.85\,m,$ respectively. The value of internal resistance of the cell is ............... $\Omega$
    View Solution
  • 5
    An electrical circuit consists of ten $100 \,\Omega$ resistors. Out of these $10$ resistors, a group of $n _1$ resistors are connected in parallel and another group of $n _2$ resistors are separately connected in parallel. These two groups are then connected in series and this combination is connected to a voltage source of $100 \,V$. If the net current though the circuit is $2.5 \,A$. The values of $n _1$ and $n _2$ are
    View Solution
  • 6
    The reading of voltmeter is :- .............. $V$
    View Solution
  • 7
    If you are provided a set of resistances $2\, \Omega, 4\, \Omega$ $6\, \Omega$ and $8\, \Omega$. Connect these resistances so as to obtain an equivalent resistance of $\frac{46}{3}\, \Omega$.
    View Solution
  • 8
    On increasing the temperature of a conductor, its resistance increases because
    View Solution
  • 9
    The total power dissipated (in $watt$ ) in the circuit shown is
    View Solution
  • 10
    Find charge on the capacitor after $1$ sec of opening the switch at $t=\infty ?$
    View Solution