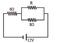
a
Let $X$ be the equivalent resistance between $S$ and $6\, \Omega$.
$\therefore \quad \frac{1}{X}=\frac{1}{S}+\frac{1}{6}$ .......$(i)$
Therefore, the equivalent circuit diagram drawn below.
For a balanced Wheatstone bridge, we get
$\frac{P}{Q}=\frac{R}{X} \quad \text { or } \quad \frac{2}{2}=\frac{2}{X} \quad \Rightarrow \quad X=2 \,\Omega$
From eqn. $(i)$, we get
$\frac{1}{2}=\frac{1}{S}+\frac{1}{6} \quad$ or, $\quad \frac{1}{S}=\frac{2}{6} \quad$ or, $\quad S=3\, \Omega$
