$(1)$ The measured value of $R$ will be $978 \Omega$
$(2)$ The resistance of the Voltmeter will be $100 k \Omega$.
$(3)$ The resistance of the Ammeter will be $0.02 \Omega$ (round off to $2^{\text {nd }}$ decimal place)
$(4)$ If the ideal cell is replaced by a cell having internal resistance of $5 \Omega$ then the measured value of $R$ will be more than $1000 \Omega$.
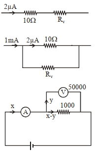
$0.1=2 \times 10^{-6}\left(10+R_V\right)$
$\therefore R_V=49990 \Omega$
(image)
$2 \times 10^{-6} \times 10=10^{-3} R _{ A } \therefore R _{ A }=0.02 \Omega$
(image)
$y 50000=(x-y) 1000$
$\therefore 51 y=x$
Reading $=\frac{y 50000}{x} \approx 980$

