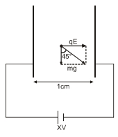
Two large vertical and parallel metal plates having a separation of $1 \ cm$ are connected to a $DC$ voltage source of potential difference $X$. A proton is released at rest midway between the two plates. It is found to move at $45^{\circ}$ to the vertical $JUST$ after release. Then $X$ is nearly
  • A$1 \times 10^{-5} \ V$
  • B$1 \times 10^{-7} \ V$
  • C$1 \times 10^{-9} \ V$
  • D$1 \times 10^{-10} \ V$
IIT 2012, Advanced
art

Download our app
and get started for free

Experience the future of education. Simply download our apps or reach out to us for more information. Let's shape the future of learning together!No signup needed.*

Similar Questions

  • 1
    For the situation shown in the figure below, mark out the correct statement
    View Solution
  • 2
    Consider two points $1$ and $2$ in a region outside a charged sphere. Two points are not very far away from the sphere. If $E$ and $V$ represent the electric field vector and the electric potential, which of the following is not possible
    View Solution
  • 3
    A solid conducting sphere having a charge $Q$ is surrounded by an uncharged concentric conducting hollow spherical shell. Let the potential difference between the surface of the solid sphere and that of the outer surface of the hollow shell be $V$. If the shell is now given a charge of $-3Q$, the new potential difference between the same two surfaces is......$V$
    View Solution
  • 4
    A particle $A$ has charge $+q$ and particle $B$ has charge $+4 q$ with each of them having the same mass $m$. When allowed to fall from rest through the same electric potential difference, the ratio of their speeds $\frac{V_A}{V_B}$ will become
    View Solution
  • 5
    A hollow metal sphere of radius $5\, cm$ is charged so that the potential on its surface is $10\, V$. The potential at the centre of the sphere is
    View Solution
  • 6
    A parallel plate capacitor is made of two square plates of side $a$, separated by a distance $d\,(d  < < a)$. The lower triangular portion is filled with a dielectric of dielectric constant $K$, as shown in the figure. Capacitance of this capacitor is
    View Solution
  • 7
    Electric potential at an equatorial point of a small dipole with dipole moment $P$ ($r$, distance from the dipole) is
    View Solution
  • 8
    A charge $+q$ is fixed at each of the points $x = x_0,\,x = 3x_0,\,x = 5x_0$, .... upto $\infty $ on $X-$  axis and charge $-q$ is fixed on each of the points $x = 2x_0,\,x = 4x_0,\,x = 6x_0$, .... upto $\infty $ . Here $x_0$ is a positive constant. Take the potential at a point due to a charge $Q$ at a distance $r$ from it to be $\frac{Q}{{4\pi {\varepsilon _0}r}}$. Then the potential at the origin due to above system of charges will be
    View Solution
  • 9
    If $E$ is the electric field intensity of an electrostatic field, then the electrostatic energy density is proportional to
    View Solution
  • 10
    Two metal pieces having a potential difference of $800 \;V$ are $0.02\; m$ apart horizontally. A particle of mass $1.96 \times 10^{-15} \;kg$ is suspended in equilibrium between the plates. If $e$ is the elementary charge, then charge on the particle is
    View Solution