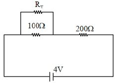
Two resistance of $100\ \Omega$ and $200\  \Omega$ are connected in series with a battery of $4 \mathrm{~V}$ and negligible internal resistance. $A$ voltmeter is used to measure voltage across $100 \Omega$ resistance, which gives reading as $1 \mathrm{~V}$. The resistance of voltmeter must be ___$\Omega$.
  • A$100$
  • B$200$
  • C$300$
  • D$400$
JEE MAIN 2024, Diffcult
art

Download our app
and get started for free

Experience the future of education. Simply download our apps or reach out to us for more information. Let's shape the future of learning together!No signup needed.*

Similar Questions

  • 1
    When the switch $S$, in the circuit shown, is closed, then the value of current $i$ will be ................. $A$
    View Solution
  • 2
    Find charge on the capacitor after $1$ sec of opening the switch at $t=\infty ?$
    View Solution
  • 3
    In the adjoining circuit, the battery $E_1$ has an $e.m.f.$ of $12\, volts$ and zero internal resistance, while the battery $E_2$ has an $e.m.f.$ of $2\, volts$. If the galvanometer $G$ reads zero, then the value of the resistance $X$ in $ohms$ is
    View Solution
  • 4
    Find charge stored on the capacitor in steady state condition .............. $\mu C$
    View Solution
  • 5
    Five resistors of given values are connected together as shown in the figure. The current in the arm $BD$ will be
    View Solution
  • 6
    A wire of resistance $20 \Omega$ is divided into $10$ equal parts. A combination of two parts are connected in parallel and so on. Now resulting pairs of parallel combination are connected in series. The equivalent resistance of final combination is_______.0$\Omega$.
    View Solution
  • 7
    In meter bridge experiment for measuring unknown resistance ' $S$ ', the null point is obtained at a distance $30 cm$ from the left side as shown at point $D$. If $R$ is $5.6 k \Omega$, then the value of unknown resistance ' $S$ ' will be $\Omega .$
    View Solution
  • 8
    In the given circuit, the voltmeter records $5\, volts$. The resistance of the voltmeter in $ohms$ is
    View Solution
  • 9
    In the circuit shown, current through $R_2$ is zero. If $R_4 = 2\,\Omega $ and $R_3 = 4\,\Omega $ , current through $R_3$ will be ................. $\mathrm{A}$
    View Solution
  • 10
    In the Wheatstone's bridge (shown in figure) $X = Y$ and $A > B$. The direction of the current between ab will be
    View Solution