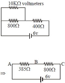
Two resistors $400\, \Omega$ and $800\, \Omega$ are connected in series across a $6 V$ battery. The potential difference measured by a voltmeter of $10\, k \Omega$ across $400\, \Omega$ resistor is close to$....V$
  • A$2$
  • B$1.95$
  • C$2.05$
  • D$1.8$
JEE MAIN 2020, Medium
art

Download our app
and get started for free

Experience the future of education. Simply download our apps or reach out to us for more information. Let's shape the future of learning together!No signup needed.*

Similar Questions

  • 1
    $\mathrm{A}$ circuit is comprised of eight identical batteries and a resistor $R = 0.8\,\Omega$ . Each battery has an $\mathrm{emf}$ of $1.0\, V$ and internal resistance of $0.2\,\Omega$ . The voltage difference across any of the battery is ............. $V$
    View Solution
  • 2
    As show in the figure, in steady state, the charge stored in the capacitor is....... $\times 10^{-6}\,C$.
    View Solution
  • 3
    During an experiment with a metre bridge, the galvanometer shows a null point when the joceky is pressed at $40.0 \ cm$ using a standard resistance of $90 \ \Omega$, as shown in the figure. The least count of the scale used in the meter bridge is $1 \ mm$. The unknown resistance is:
    View Solution
  • 4
    The figure shows a network of four resistances and three batteries Choose the correct alternative
    View Solution
  • 5
    $ABCD$ is a square where each side is a uniform wire of resistance $1\,\Omega$ . $A$ point $E$ lies on $CD$ such that if a uniform wire of resistance $1\,\Omega$ is connected across $AE$ and constant potential difference is applied across $A$ and $C$ then $B$ and $E$ are equipotential.
    View Solution
  • 6
    A voltmeter of resistance $1000\,\Omega$ is connected across a resistance of $500\, \Omega$ in the given circuit. What will be the reading of voltmeter .............. $V$
    View Solution
  • 7
    In the given circuit, with steady current, the potential drop across the capacitor must be
    View Solution
  • 8
    An insulating pipe of cross-section area $'A'$ contains an electrolyte which has two types of ions $\rightarrow$ their charges being $-e$ and $+2e$. $A$ potential difference applied between the ends of the pipe result in the drifting of the two types of ions, having drift speed $= v$ ($-ve$ ion) and $v/4$ ($+ve$ ion). Both ions have the same number per unit volume $= n$. The current flowing through the pipe is
    View Solution
  • 9
    The current in the primary circuit of a potentiometer is $0.2\, A$. The specific resistance and cross section of the potentiometer wire are $4\times10^{-7}\,ohm$ $metre$ and $8\times10^{-7}\, m^2$ respectively. The potential gradient will be equal to .............. $V/m$
    View Solution
  • 10
    There are two wires of the same length and of the same material and radii $r$ and $2r$ . The ratio of their specific resistance is
    View Solution