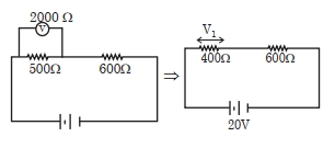
Two resistors are connected in series across a battery as shown in figure. If a voltmeter of resistance $2000 \,\Omega$ is used to measure the potential difference across $500 \,\Omega$ resister, the reading of the voltmeter will be ............... $V$
  • A$2$
  • B$7$
  • C$8$
  • D$9$
JEE MAIN 2022, Medium
art

Download our app
and get started for free

Experience the future of education. Simply download our apps or reach out to us for more information. Let's shape the future of learning together!No signup needed.*

Similar Questions

  • 1
    In potentiometer a balance point is obtained, when
    View Solution
  • 2
    In the given circuit, the potential of the point $E$ is
    View Solution
  • 3
    A $9\, V$ battery with internal resistance of $0.5\,\Omega $ is connected across an infinite network as shown in the figure. All ammeters $A_1 , A_2, A_3$ and voltmeter $V$ are ideal. Choose correct statement
    View Solution
  • 4
    Figure shows three similar lamps $L_1, L_2$ and $L_3$ connected across a power supply. If the lamp $L_3$ fuses, how will the light emitted by $L_1$ and $L_2$ change ?
    View Solution
  • 5
    A metal wire of specific resistance $64 \times {10^{ - 6}}\,ohm - cm$ and length $198\, cm$ has a resistance of $7\, ohm$, the radius of the wire will be ............. $cm$
    View Solution
  • 6
    In the circuit shown $E, F, G$ and $H$ are cells of $\mathrm{e.m.f.}$ $2\,V, 1\,V, 3\,V$ and $1\,V$ respectively and their internal resistances are $2\,\Omega , 1\,\Omega , 3\,\Omega$ and $1\,\Omega$ respectively.
    View Solution
  • 7
    A heater draws a current of $2\,A$ when connected to a $250\,V$ source. The rate of energy dissipation is ............. $W$
    View Solution
  • 8
    Space between two concentric conducting spheres of radii $a$ and $b (b > a)$ is filled with $a$ medium of resistivity $\rho $. The resistance between the two spheres will be
    View Solution
  • 9
    A rod of a certain metal is $1.0\, m$ long and $0.6\, cm$ in diameter. Its resistance is $3.0 × {10^{ - 3}}\, ohm$. Another disc made of the same metal is $2.0\, cm$ in diameter and $1.0\, mm$ thick. What is the resistance between the round faces of the disc
    View Solution
  • 10
    Which is a wrong statement
    View Solution