
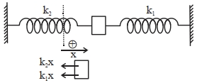
$F =-\left( k _1 x+ k _2 x \right)=-\left( k _1+ k _2\right) x$
$a =\frac{ F }{ m }=-\left(\frac{ k _1+ k _2}{ m }\right) x =-\omega^2 x$
$\therefore \omega=\sqrt{\frac{ k _1+ k _2}{ m }} \Rightarrow T=\frac{2 \pi}{\omega}=2 \pi \sqrt{\frac{ m }{ k _1+ k _2}}$
$(a)$ Potential energy is always equal to its $K.E.$
$(b)$ Average potential and kinetic energy over any given time interval are always equal.
$(c)$ Sum of the kinetic and potential energy at any point of time is constant.
$(d)$ Average $K.E.$ in one time period is equal to average potential energy in one time period.
Choose the most appropriate option from the options given below:
| Column $I$ | Column $II$ |
| $(A)$ The object moves on the $\mathrm{x}$-axis under a conservative force in such a way that its "speed" and "position" satisfy $v=c_1 \sqrt{c_2-x^2}$, where $\mathrm{c}_1$ and $\mathrm{c}_2$ are positive constants. | $(p)$ The object executes a simple harmonic motion. |
| $(B)$ The object moves on the $\mathrm{x}$-axis in such a way that its velocity and its displacement from the origin satisfy $\mathrm{v}=-\mathrm{kx}$, where $\mathrm{k}$ is a positive constant. | $(q)$ The object does not change its direction. |
| $(C)$ The object is attached to one end of a massless spring of a given spring constant. The other end of the spring is attached to the ceiling of an elevator. Initially everything is at rest. The elevator starts going upwards with a constant acceleration a. The motion of the object is observed from the elevator during the period it maintains this acceleration. | $(r)$ The kinetic energy of the object keeps on decreasing. |
| $(D)$ The object is projected from the earth's surface vertically upwards with a speed $2 \sqrt{\mathrm{GM}_e / R_e}$, where, $M_e$ is the mass of the earth and $R_e$ is the radius of the earth. Neglect forces from objects other than the earth. | $(s)$ The object can change its direction only once. |