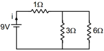
After switch is closed, current drawn from the battery is (in $A$)
  • A$6$
  • B$1.5$
  • C$3$
  • D$4$
AIIMS 2019, Medium
art

Download our app
and get started for free

Experience the future of education. Simply download our apps or reach out to us for more information. Let's shape the future of learning together!No signup needed.*

Similar Questions

  • 1
    Temperature coefficient at $0\,^oC$ is $0.00125\,^oC^{-1}$. At a temperature of $25\,^oC$ its resistance is $1\,\Omega $. Find the temperature at which resistance is $1.2\,\Omega $
    View Solution
  • 2
    Consider a metallic cube of edge length $L$. Its resistance, $R$, measured across its opposite faces is $R =\frac{ m _{ e } v }{ ne ^2 L ^2}$, where $n$ is the number density and $v$ is the drift speed of electrons in the cube, and $e$ and $m _{ e }$ are the charge and mass of an electron respectively. Assuming the de-Broglie wavelength of the electron to be $L$, the maximum resistance of the sample is closest to ............. $\,\Omega$ $\left(e=1.60 \times 10^{-19} \,C ; m _{ e }=9.11 \times 10^{-31} \,kg\right.$; Planck's constant, $h=6.63 \times 10^{-34} \,Js$ )
    View Solution
  • 3
    Wheat stone bridge is balanced. Find ratio of electric power dissipated in $(P + Q)$ to $(R + S)$
    View Solution
  • 4
    As the switch $S$ is closed in the circuit shown in figure, current passing through it is ................ $\mathrm{A}$
    View Solution
  • 5
    The resistance of a bulb filmanet is $100\,\Omega$ at a temperature of $100\,^o  C$. If its temperature coefficient of resistance be $0.005$ per $^o C$, its resistance will become $200\,\Omega$ at a temperature of ................ $^oC$
    View Solution
  • 6
    A uniform metallic wire has a resistance of $18\,\Omega $ and is bent into an equilateral triangle. Then, the resistance between any two vertices of the triangle is .................. $\Omega$
    View Solution
  • 7
    A meter bridge is set-up as shown, to determine an unknown resistance ' $X$ ' using a standard $10$ ohm resistor. The galvanometer shows null point when tapping-key is at $52 \ cm$ mark. The end-corrections are $1 \ cm$ and $2 \ cm$ respectively for the ends $A$ and $B$. The determined value of ' $X$ ' is
    View Solution
  • 8
    Two cells are connected between points $A$ and $B$ as shown. Cell $1$ has emf of $12\,V$ and internal resistance of $3\,\Omega$. Cell $2$ has emf of $6\,V$ and internal resistance of $6\,\Omega$. An external resistor $R$ of $4\,\Omega$ is connected across $A$ and $B$. The current flowing through $R$ will be $.............A$.
    View Solution
  • 9
    Two wires $A$ and $B$ made of same material and having their lengths in the ratio $6 : 1$ are connected in series. The potential difference across the wires are $3\,V$ and $2\,V$ respectively. If $r_A$ and $r_B$ are the radii of $A$ and $B$ respectively, then $\frac{{{r_B}}}{{{r_A}}}$ is
    View Solution
  • 10
    The equivalent resistance between $x$ and $y$ in the circuit shown is ............. $\Omega$
    View Solution