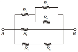
Consider the combination of resistors as shown in figure and pick out the correct statement
  • A$R_1$ and $R_4$ are connected in parallel
  • B$R_1$ and $R_2$ are connected in series
  • C$R_2$ and $R_3$ are connected in parallel
  • D$R_6$ and $R_4$ are connected in parallel
Medium
art

Download our app
and get started for free

Experience the future of education. Simply download our apps or reach out to us for more information. Let's shape the future of learning together!No signup needed.*

Similar Questions

  • 1
    The figure shows a network of resistors and $a$ battery. If $1\,A$ current flowsthrough the branch $CF$, then answer the following questions The current through
    View Solution
  • 2
    The resistance of a wire is $5 \Omega$. It's new resistance in ohm if stretched to $5$ times of it's original length will be :
    View Solution
  • 3
    A wire has a non-uniform cross-section as shown in figure.A steady current flows through it. The drift speed of electrons at points $P$ and $q$ is $v_P$ and $v_Q$.
    View Solution
  • 4
    Five identical cells each of internal resistance $1\, \Omega$ and $emf \;5\, {V}$ are connected in series and in parallel with an external resistance $'R'.$ For what value of $'R',$ current in series and parallel combination will remain the same ? (in $\Omega$)
    View Solution
  • 5
    Ohm's law fails in
    View Solution
  • 6
    A certain piece of silver of given mass is to be made like a wire. Which of the following combination of length $(L)$ and the area of cross-sectional $(A) $ will lead to the smallest resistance
    View Solution
  • 7
    $A$ conductor is made of an isotropic material and has shape of a truncated cone. $A$ battery of constant emf is connected across it and its left end is earthed as shown in figure. If at a section distant $x$ from left end, electric field intensity, potential and the rate of generation of heat per unit length are $E, V$ and $H$ respectively, which of the following graphs is are correct?
    View Solution
  • 8
    A flow of $10^{7}$ electrons per second in a conducting wire constitutes a current of
    View Solution
  • 9
    If ${V_{AB}} = 4\,V$ in the given figure, then resistance $X$ will be .............. $\Omega$
    View Solution
  • 10
    On increasing the temperature of a conductor, its resistance increases because
    View Solution