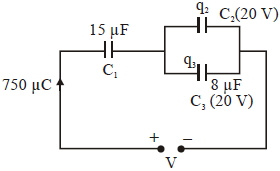
In the circuit shown in the figure, the total charge in $750\, \mu C$ and the voltage across capacitor $C _{2}$ is $20\, V$. Then the charge on capacitor $C _{2}$ is$....\mu C$
  • A$590$
  • B$450$
  • C$650$
  • D$160$
JEE MAIN 2020, Medium
art

Download our app
and get started for free

Experience the future of education. Simply download our apps or reach out to us for more information. Let's shape the future of learning together!No signup needed.*

Similar Questions

  • 1
    A $2\, \mu F$ capacitor $C _{1}$ is first charged to a potential difference of $10\, V$ using a battery.Then the battery is removed and the capacitor is connected to an uncharged capacitor $C _{2}$ of $8\, \mu F$. The charge in $C _{2}$ on equilibrium condition is $\ldots\,\mu C$. (Round off to the Nearest Integer)
    View Solution
  • 2
    An electric dipole moment $\vec p = (2.0\hat i + 3.0\hat j)$ $\mu C. $ $m$ is placed in a uniform electric field $\vec E = (3.0\hat i + 2.0\hat k)$ $×$$10^5$ $N$ $C^{-1}$.
    View Solution
  • 3
    A particle of mass $m$ and carrying charge $-q_1$ is moving around a charge $+q_2$ along a circular path of radius r. Find period of revolution of the charge $-q_1$
    View Solution
  • 4
    Two parallel metal plates having charges $+Q$ and $- Q$ face each other at a certain distance between them. If the plates are now dipped in kerosene oil tank, the electric field between the plates will
    View Solution
  • 5
    A spherical condenser has inner and outer spheres of radii $a$ and $b$ respectively. The space between the two is filled with air. The difference between the capacities of two condensers formed when outer sphere is earthed and when inner sphere is earthed will be
    View Solution
  • 6
    The electric field intensity produced by the radiation coming from a $100\, W$ bulb at a distance of $3\, m$ is $E$. The electric field intensity produced by the radiation coming from $60\, W$ at the same distance is $\sqrt{\frac{x}{5}} E$. Where the value of $x=......... .$
    View Solution
  • 7
    A solid sphere of radius $R$ carries a charge $(Q+q)$ distributed uniformly over its volume. A very small point like piece of it of mass $m$ gets detached from the bottom of the sphere and falls down vertically under gravity. This piece carries charge $q.$ If it acquires a speed $v$ when it has fallen through a vertical height $y$ (see figure), then :

    (assume the remaining portion to be spherical).

    View Solution
  • 8
    A capacitor of capacity $C_1$ is charged to the potential of $V_0$. After disconnecting with the battery, it is connected with a neutral capacitor of capacity $C_2$ as shown in the adjoining figure. The ratio of energy of system before and after the connection of switch $S$ will be
    View Solution
  • 9
    Sixty-four drops are jointed together to form a bigger drop. If each small drop has a capacitance $C$, a potential $V$, and a charge $q$, then the capacitance of the bigger drop will be
    View Solution
  • 10
    Force acting upon a charged particle kept between the plates of a charged condenser is $F$. If one plate of the condenser is removed, then the force acting on the same particle will become
    View Solution