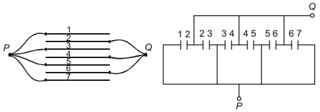
Seven identical plates each of area $A$ and successive separation $d$ are arranged as shown in figures. The effective capacitance of the system between $P$ and $Q$ is
  • A$\frac{7 \varepsilon_0 A}{d}$
  • B$\frac{6 \varepsilon_0 A}{d}$
  • C$\frac{5 \varepsilon_0 A}{d}$
  • D$\frac{3 \varepsilon_0 A}{d}$
Medium
art

Download our app
and get started for free

Experience the future of education. Simply download our apps or reach out to us for more information. Let's shape the future of learning together!No signup needed.*

Similar Questions

  • 1
    Two capacitors $C_1 = 4\  \mu F$ and $C_2 = 2\ \mu F$ are charged to same potential $ V = 500\  Volt$, but with opposite polarity as shown in the figure. The switches $S_1$ and $S_2$ are closed.
    View Solution
  • 2
    Two condensers ${C_1}$and ${C_2}$ in a circuit are joined as shown in figure. The potential of point $A$ is ${V_1}$ and that of $B$ is ${V_2}$. The potential of point $D$ will be
    View Solution
  • 3
    If the electric potential of the inner metal sphere is $10$ $ volt$ $\&$ that of the outer shell is $5$ $volt$, then the potential at the centre will be ......$volt$
    View Solution
  • 4
    Two hollow conducting spheres of radii $R_{1}$ and $R_{2}$ $\left(R_{1}>>R_{2}\right)$ have equal charges. The potential would be:
    View Solution
  • 5
    Find the equivalent capacitance between $A$ and $B$
    View Solution
  • 6
    In the circuit shown, $q_2$ and $q_3$ are respectively (Initially all capacitors are uncharged)
    View Solution
  • 7
    A charge $Q$ is distributed over three concentric spherical shell of radii $a, b, c (a < b < c)$ such that their surface charge densities are equal to one another. The total potential at a point at distance $r$ from their common centre, where $r < a$, would be
    View Solution
  • 8
    In a capacitor of capacitance $20\,\mu \,F$, the distance between the plates is $2\,mm$. If a dielectric slab of width $1\,mm$ and dielectric constant $2$ is inserted between the plates, then the new capacitance is......$\mu \,F$
    View Solution
  • 9
    A block of mass $m$ moving with speed $v$ compresses a spring through distance $x$ before its speed is halved. What is the value of spring constant ?
    View Solution
  • 10
    If the charge on a capacitor is increased by $2$ coulomb, the energy stored in it increases by $21\%$. The original charge on the capacitor is....$C$
    View Solution