Suppose an isolated north pole is kept at the centre of a circular loop carrying a electric current $i$. The magnetic field due to the north pole at a point on the periphery of the wire is $B$. The radius of the loop is $a$. The force on the wire is
Medium
Download our app for free and get startedPlay store
(a)

$d F=I d I B$

$F_{\text {total }}=i(2 \pi a) B$

Perpendicular to the plane of the paper.

art

Download our app
and get started for free

Experience the future of education. Simply download our apps or reach out to us for more information. Let's shape the future of learning together!No signup needed.*

Similar Questions

  • 1
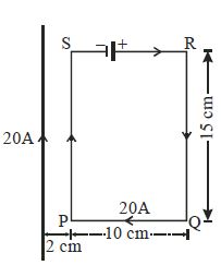
    The resultant force on the current loop $PQRS$ due to a long current carrying conductor will be
    View Solution
  • 2
    A galvanometer gives full scale deflection with $0.006$ A current. By connecting it to a $4990 \ \Omega$ resistance, it can be converted into a voltmeter of range $0-30 \ V$. If connected to a $\frac{2 n }{249} \Omega$ resistance, it becomes an ammeter of range $0-1.5 \ A$. The value of $n$ is:
    View Solution
  • 3
    A current loop in a magnetic field 
    View Solution
  • 4
    A wire carrying current $I$ has the shape as shown in adjoining figure.Linear parts of the wire are very long and parallel to $X-$axis while semicircular portion of radius $R$ is lying in $Y-Z$ plane. Magnetic field at point $O$ is
    View Solution
  • 5
    Magnetic effect of current was discovered by
    View Solution
  • 6
    The current in flowing along the path $A B C D$ of a cube (shown in the left figure) produces a magnetic field at the centre of cube of magnitude $B$. Dashed line depicts the non-conducting part of the cube. Consider a cubical shape shown to the right which is identical in size and shape to the left. If the same current now flows in along the path $D A E F G C D$, then the magnitude of magnetic field at the centre will be
    View Solution
  • 7
    A fixed horizontal wire carries a current of $200\, A$. Another wire having a mass per unit length ${10^{ - 2}}\,kg/m$ is placed below the first wire at a distance of $2\, cm$ and parallel to it. How much current must be passed through the second wire if it floats in air without any support? What should be the direction of current in it
    View Solution
  • 8
    In an ammeter $0.2\%$ of main current passes through the galvanometer. If resistance of galvanometer is $G,$ the resistance of ammeter will be
    View Solution
  • 9
    Field at the centre of a circular coil of radius $r$, through which a current $I$ flows is
    View Solution
  • 10
    Identical currents flow in two perpendicular wires, as shown in the figure. The wires are very close but do not touch. The magnetic field can be zero:
    View Solution