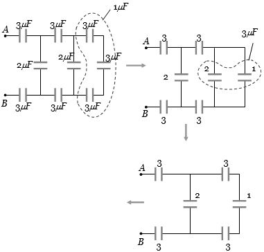
The resultant capacitance between $A$ and $B$ in the following figure is equal to.....$\mu F$
  • A$1$
  • B$3$
  • C$2$
  • D$1.5$
IIT 1977, Medium
art

Download our app
and get started for free

Experience the future of education. Simply download our apps or reach out to us for more information. Let's shape the future of learning together!No signup needed.*

Similar Questions

  • 1
    A $60\; pF$ capacitor is fully charged by a $20\; \mathrm{V}$ supply. It is then disconnected from the supply and is connected to another uncharged $60 \;pF$ capactior is parallel. The electrostatic energy that is lost in this process by the time the charge is redistributed between them is (in $nJ$)
    View Solution
  • 2
    The ratio of momenta of an electron and an $\alpha$-particle which are accelerated from rest by a potential difference of $100\, volts$ is
    View Solution
  • 3
    Six charges $+ q ,- q ,+ q ,- q ,+ q$ and $- q$ are fixed at the corners of a hexagon of side $d$ as shown in the figure. The work done in bringing a charge $q _0$ to the centre of the hexagon from infinity is :$\left(\varepsilon_0-\right.$ permittivity of free space)
    View Solution
  • 4
    A parallel plate condenser has a capacitance $50\,\mu F$ in air and $110\,\mu F$ when immersed in an oil. The dielectric constant $'k'$ of the oil is
    View Solution
  • 5
    For the circuit shown, which of the following statements is true
    View Solution
  • 6
    The two thin coaxial rings, each of radius $'a'$ and having charges $+{Q}$ and $-{Q}$ respectively are separated by a distance of $'s'.$ The potential difference between the centres of the two rings is :
    View Solution
  • 7
    A force of $10 \; N$ acts on a charged particle placed between two plates of a charged capacitor. If one plate of capacitor is removed, then the force acting on that particle will be ...... $N$
    View Solution
  • 8
    A cube of side $b$ has a charge $q$ at each of its vertices. Determine the potential and electric field due to this charge array at the centre of the cube.
    View Solution
  • 9
    A proton and an anti-proton come close to each other in vacuum such that the distance between them is $10 \,cm$. Consider the potential energy to be zero at infinity. The velocity at this distance will be ........... $\,m / s$
    View Solution
  • 10
    The maximum electric field that can be held in air without producing ionisation of air is $10^7\,V/m$. The maximum potential therefore, to which a conducting sphere of radius $0.10\,m$ can be charged in air is
    View Solution